RT9205/RT9205A應用電路
- RT920(5340)
相關推薦
RT9205/RT9205A Dual Regulators
RT9205/RT9205A Dual Regulators - Synchronous Buck PWM DC-DC and Linear Controller
The RT9205/A
2009-11-20 09:30:32
1485
1485RT9205/RT9205A,pdf datasheet (
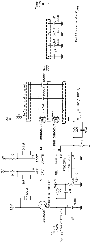
The RT9205/A is a dual-output power controllers designedfor high performance graphics cards
2009-11-20 09:50:05
15
15RT9205/RT9205A pdf datasheet (
The RT9205/A is a dual-output power controllers designedfor high performance graphics cards
2008-12-13 01:44:48
11
11ISL9205, ISL9205A, ISL9205B, ISL9205C, ISL9205D 數據表
ISL9205, ISL9205A, ISL9205B, ISL9205C, ISL9205D 數據表
2023-07-10 19:29:16
0
0ISL9205, ISL9205A, ISL9205B, ISL9205C, ISL9205D 數據表
ISL9205, ISL9205A, ISL9205B, ISL9205C, ISL9205D 數據表
2023-03-23 19:37:37
0
0RT9259A應用電路及參數
RT9259A應用電路及參數
The RT9259A is a dual-channel DC/DC controller specifically designed t
2010-03-25 17:18:30
3948
3948
RT9025應用電路
RT9025應用電路
The RT9025 is a high performance positive voltage regulator designed for
2010-03-24 16:55:55
3407
3407
RT9194應用電路
RT9194應用電路
The RT9194 is a low-dropout voltage regulator controller with a specific PGOOD indicating scheme, it acts as a power supervisor o
2010-03-24 17:05:08
624
624
RT9174應用電路
RT9174應用電路
The RT9174 is a triple linear regulator controller designed for motherboard application.The regulators
2010-03-24 17:01:55
2523
2523
RT9605/RT9605B應用電路
RT9605/RT9605B應用電路Triple-Channel Synchronous-Rectified Buck MOSFET DriverThe RT9605B is a high frequency, triple-channel synchronous-rectified buck
2010-03-23 18:02:11
2904
2904
RT8110應用電路及參數
RT8110應用電路及參數
The RT8110 is a compact fixed-frequency PWM controller with integrated MOSF
2010-03-25 17:11:51
3005
3005
RT9199應用電路及參數資料
RT9199應用電路及參數資料
Cost-Effective, 2A Peak Sink/Source Bus Termination Regulator
The RT9199 is a simple, cost-effectiv
2010-03-30 17:25:45
3780
3780
RT9185應用電路
RT9185應用電路
The RT9185 series are efficient, precise triple-channelCMOS LDO regulators specif
2010-03-24 16:58:38
657
657
RT9917應用電路及參數資料
RT9917應用電路及參數資料
7 Channel DC/DC Converters
The RT9907 is a three channel power-supply solution for digital still ca
2010-03-31 18:31:30
1439
1439
RT9232B應用電路及參數
RT9232B應用電路及參數
The RT9232B is a single-phase synchronous buck PWM DC-DC converter controller design
2010-03-25 17:15:38
1683
1683
RT9711應用電路及參數資料
RT9711應用電路及參數資料
The RT9711 is a low voltage, single N-MOSFET high-side power switch, opt
2010-03-27 17:05:02
1904
1904
DT9205多用表測量電容電路的改進
DT9205多用表測量電容電路的改進
介紹一種改進測量電路中的振蕩器,使數字萬用表D T9205測量電容的誤差由±(3%+3)減小到±1%的電路和實測結果。 關鍵詞:多用表
2009-10-16 22:30:16
4602
4602
RT8109應用電路及參數資料
RT8109應用電路及參數資料
The RT8109 is a single-phase synchronous buck PWM DC-DC controller designed
2010-03-27 17:00:24
1470
1470
RT8857應用電路及參數
RT8857應用電路及參數
4/3/2/1-Phase PWM Controller with Embedded Drivers for CPU Core Power Supply
The RT8857/A is a 4/3/2/1-p
2010-03-23 18:11:35
1769
1769
RT8100應用電路及參數
RT8100應用電路及參數
The RT8100 is an advanced DC/DC synchronous buck PWM controller with several i
2010-03-25 17:08:15
929
929
RT8841應用電路及參數
RT8841應用電路及參數
4/3/2/1-Phase PWM Controller for High-Density Power Supply
The RT8841 is a 4/3/2/1-phase synchronous buck
2010-03-23 18:05:41
3498
3498
RT8855應用電路及參數
RT8855應用電路及參數
4/3/2/1-Phase PWM Controller for AMD AM2/AM2+ CPUs
The RT8855 is a 4/3/2/1-phase synchronous buck
2010-03-23 18:08:55
5577
5577
RT9173C應用電路及參數資料
RT9173C應用電路及參數資料
The RT9173C is a simple, cost-effective and high-speed linear regulator designed to generate termination voltage in doub
2010-03-27 17:11:25
2194
2194
RT9709應用電路
RT9709應用電路
Integrated Over Voltage Protection Circuit
Features
• Fully Integr
2010-04-12 19:45:55
943
943
RT8802A應用電路圖
RT8802A應用電路圖
2/3/4/5-Phase PWM Controller for High-Density Power Supply
2010-03-22 16:55:27
6165
6165
RT8470應用電路 (1.2A/1A,遲滯,高亮度LED驅
RT8470應用電路 (1.2A/1A,遲滯,高亮度LED驅動器)
The RT8470 is a high efficiency, continuous mo
2010-09-30 12:22:30
1366
1366RT9173D應用電路及參數資料
RT9173D應用電路及參數資料
Cost-Effective, Peak 3A Sink/Source Bus Termination Regulator
The RT9173D is a simple, cost-effect
2010-03-30 17:22:15
2644
2644
RT8453/RT8453B應用電路(40V的高電壓降壓型L
RT8453/RT8453B應用電路(40V的高電壓降壓型LED驅動器)
The RT8453B is a buck current mode PWM regulator
2010-09-30 12:26:32
1645
1645MAX9205EAI+T - (Maxim Integrated) - 接口 - 串行器,解串器
電子發燒友網為你提供Maxim(Maxim)MAX9205EAI+T相關產品參數、數據手冊,更有MAX9205EAI+T的引腳圖、接線圖、封裝手冊、中文資料、英文資料,MAX9205EAI+T真值表,MAX9205EAI+T管腳等資料,希望可以幫助到廣大的電子工程師們。
2023-08-02 19:02:41

RT9501A/RT9501B 先進的鋰離子線性電池充電器(
RT9501A/RT9501B 先進的鋰離子線性電池充電器(應用電路)
The RT9501 is a single Lithium-Ion or Lithium-Polymer cell linear battery charge
2009-11-20 10:04:09
961
961RT9173B應用電路及參數資料
RT9173B應用電路及參數資料
The RT9173B regulator is designed to convert voltage supplies ranging f
2010-03-27 17:07:53
4482
4482
MAX9205EAI+ - (Maxim Integrated) - 接口 - 串行器,解串器
電子發燒友網為你提供Maxim(Maxim)MAX9205EAI+相關產品參數、數據手冊,更有MAX9205EAI+的引腳圖、接線圖、封裝手冊、中文資料、英文資料,MAX9205EAI+真值表,MAX9205EAI+管腳等資料,希望可以幫助到廣大的電子工程師們。
2023-08-02 18:53:14

MAX9205EAI/V+T - (Maxim Integrated) - 接口 - 串行器,解串器
電子發燒友網為你提供Maxim(Maxim)MAX9205EAI/V+T相關產品參數、數據手冊,更有MAX9205EAI/V+T的引腳圖、接線圖、封裝手冊、中文資料、英文資料,MAX9205EAI/V+T真值表,MAX9205EAI/V+T管腳等資料,希望可以幫助到廣大的電子工程師們。
2023-08-04 18:31:21

RT9605/RT9605A應用電路
The RT9605A is a high frequency, triple-channel synchronous-rectified buck MOSFET driver specifically designed to drive six power N-MOSFETs.
2008-12-11 11:39:47
2056
2056
RT9247應用電路
The RT9247 is a multi-phase buck DC/DC controller integrated with all control functions for GHz CPU VRM.The RT9247 controls 2 or 3 buck swit
2008-12-11 11:33:05
1163
1163
RT9502應用電路及參數資料
RT9502應用電路及參數資料
Linear Single Cell Li-Ion Battery Charger IC withDual Input Supply
Features
2010-03-30 17:30:18
1125
1125
MAX9205EAI/V+ - (Maxim Integrated) - 接口 - 串行器,解串器
電子發燒友網為你提供Maxim(Maxim)MAX9205EAI/V+相關產品參數、數據手冊,更有MAX9205EAI/V+的引腳圖、接線圖、封裝手冊、中文資料、英文資料,MAX9205EAI/V+真值表,MAX9205EAI/V+管腳等資料,希望可以幫助到廣大的電子工程師們。
2023-07-28 18:59:03

RT9505應用電路及參數資料
RT9505應用電路及參數資料
Linear Single Cell Li-Ion Battery Charger IC
Features
2010-03-30 17:38:50
2431
2431
RT9246/RT9603應用電路
The RT9246 is a multi-phase buck DC/DC controller integrated with all control functions for GHz CPU VRM.The RT9246 controls 2 or 3 buck swit
2008-12-11 11:22:14
3229
3229
RT9503應用電路及參數資料
RT9503應用電路及參數資料
Fully Integrated Linear Single Cell Li-Ion Battery Charger With Power Path
2010-03-30 17:36:00
1131
1131
RT8452應用電路 (高電壓高電流LED驅動器控制器)
RT8452應用電路 (高電壓高電流LED驅動器控制器)
The RT8452 is a current mode PWM controller designed to drive
2010-09-30 12:24:49
2319
2319RT8482應用電路(高電壓高電流LED驅動器控制器)
RT8482應用電路(高電壓高電流LED驅動器控制器)
The RT8482 is a current mode PW
2010-09-30 12:20:21
3511
3511RT9373A應用電路 (3通道電荷泵白光LED低壓降電流源
RT9373A應用電路 (3通道電荷泵白光LED低壓降電流源驅動器)
The RT9373A is a high efficiency and cost effective charge pump white LED d
2009-11-20 10:05:36
654
654RT9907應用電路及參數資料
RT9907應用電路及參數資料
3 Channel DC/DC Converters IC with High-Efficiency Step-Up and Step-Down
The
2010-03-31 18:27:21
2206
2206
MAX9205,MAX9207,pdf數據資料
The MAX9205/MAX9207 serializers transform 10-bitwideparallel LVCMOS/LVTTL data into a serial
2012-12-17 10:34:44
19
19FR9205S6 SOT-23-6 18V,2A同步降壓85T DC/DC轉換器
概述FR9205是一種同步降壓DC/DC轉換器,具有快速常數對時間(FCOT)模式控制。該裝置提供4.5V至18V的輸入電壓范圍和2A的連續負載電流能力。工作頻率取決于輸入和輸出電壓條件。在輕負荷
2022-11-22 16:02:48
0
0RT9641A/RT9641B pdf datasheet
The RT9641A/B, paired with either the RT9230 or RT9231simplifies the implementation
2008-12-14 10:37:55
17
17RT8800A的特性及應用
RT8800A的特性及應用
General Purpose 3-Phase PWM Controller for High-Density Power Supply
The RT8800A is a general-purposed mult
2010-03-22 16:52:35
1347
1347RT8857/RT8857A datasheet,pdf(4
RT8857/RT8857A datasheet,pdf(4/3/2/1-Phase PWM Controller with Embedded Drivers for CPU Core Power
2010-03-23 18:22:03
36
36RT9241A/RT9241B pdf datasheet
The RT9241A/B is a two-phase buck DC/DC controllerintegrated with all control functions for high
2008-12-14 10:00:33
44
44RT9711A/RT9711B/RT9711C/RT9711
The RT9711A/B/C/D are cost-effective, low voltage, singleN-MOSFET high-side power switches
2008-12-14 10:25:46
35
35
電子發燒友App
















評論