1、由CD4060構成的看門狗電路
由CD4060組成看門狗電路如圖所示。CD4060為14位二進制串行計數/分頻/振蕩器。選R1=130K、C1=100PF時,振蕩頻率經內部14級二分頻后,從Q14端可輸出約2HZ的頻率信號。R2為偏置電阻。正常情況下8031每隔一段時間T1就將CD4060復位一次。一旦由于某種原因導至CPU失控,CD4060不能及時被復位,經過時間T2(T2>T1)就從Q14端輸出高電平,立即將8031復位,把CPU“拉回”到正常運行狀態;然后CPU又將CD4060復位,使Q14恢復成低電平。R3與C2組成微分電路,可將P3.5口輸出的復位電平變成復位脈沖。可見,看門狗電路具有監視器執行器的作用,是提高智能化單片機測控可靠性的有效措施之一。

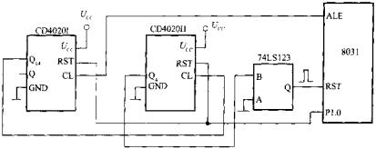
2、由CD4020構成的看門狗電路
CD4020為14位二進制串行計數器,它靠CL的下降沿來觸發;將RST端置為高電平或加上正脈沖,可使計數器的輸出全部復零。由兩片CD4020組成的看門狗電路如圖所示,若8031單片機的晶振頻率為6MHZ,則ALE信號周期為1US。CD4020I的Q14腳定時時間為2的14次方*1US=16.384MS。應用主程序循環過程中,P1.0腳定時發出復零脈沖就能保證CD4020-2的Q4端輸出為0,不影響程序正常運行。當“死循環”超過262.144MS時,Q4端和RST端均變為高電平,經過觸發器74LS123將系統復位。通過改變CD4020-1輸出端與CD4020-2的CL的連接方式,可獲得不同的延遲時間。

電子發燒友App
































評論