電動自行車控制器電路及原理大全
目前流行的電動自行車、電動摩托車大都使用直流電機,對直流電機調速的控制器有很多種類。電動車控制器核心是脈寬調制(PWM)器,而一款完善的控制器,還應具有電瓶欠壓保護、電機過流保護、剎車斷電、電量顯示等功能。
電動車控制器以功率大小可分為大功率、中功率、小功率三類。電動自行車使用小功率的,貨運三輪車和電摩托要使用中功率和大功率的。從配合電機分,可分為有刷、無刷兩大類。關于無刷控制器,受目前的技術和成本制約,損壞率較高。筆者認為,無刷控制器維修應以生產廠商為主。而應用較多的有刷控制器,是完全可以用同類控制器進行直接代換或維修的。
本文分別介紹國內部分具有代表性的電動自行車控制器整機電路,并指出與其他產品的不同之處及其特點。所列電路均是根據實物進行測繪所得,圖中元件號為筆者所標。通過介紹具體實例,達到舉一反三的目的。
1.有刷控制器實例
(1)山東某牌帶電量顯示有刷控制器
電路方框圖見圖1。
1)電路原理
電路原理圖見圖2所示,該控制器由穩壓電源電路、PWM產生電路、電機驅動電路、蓄電池放電指示電路、電機過流及蓄電池過放電保護電路等組成。
穩壓電源 由V3(TL431),Q3等元件組成,從36V蓄電池經過串聯穩壓后得到+12V電壓,給控制電路供電,調節VR6可校準+12V電源。
PWM電路 以脈寬調制 器TL494為核心組成。R3、C4與內部電路產生振蕩,頻率大約為12kHz。
H是高變低型霍爾速度控制轉把,由松開到旋緊時,其輸出端可得到4V—1V的電壓。該電壓加到TL494的②腳,與①腳電壓進行比較,在⑧腳得到調寬脈沖。②腳電壓越低,⑧腳輸出的調寬脈沖的低電平部分越寬,電機轉速越高,電位器VR2用于零速調節,調節VR2使轉把松開時電機停轉再過一點。
電機驅動電路 由Q1、Q2、Q4等元件組成。電機MOTOR為永磁直流有刷電機。TL494的⑧腳輸出的調寬脈沖,經Q1反相放大驅動VDMOS管Q2。TL494的⑧腳輸出的調寬脈沖低電平部分越寬,則Q2導通時間越長,電機轉速越高。D1是電機續流二極管,防止Q2擊穿。TL494的⑧腳輸出低電平時,Q1、D2導通,Q4截止,Q2導通;TL494的⑧腳輸出高電平時,Q1、D2截止,Q4導通,迅速將Q2柵極電荷泄放,加速Q2的截止過程,對降低Q2溫度有十分重要的作用。
蓄電池放電指示電路 由LM324組成四個比較器,12V由R24、VR1、VR4、VR3、VR5、R21分壓形成四個不同基準電壓分別加到四個比較器的反相端。蓄電池電壓經R23和R22分壓加到每個比較器的同相端,該電壓和蓄電池電壓成比例。VA=VB*R22/(R22+R23)。當蓄電池電壓不低于38V時,LED1、LED2、LED3均點亮;當電池電壓低于38V時,LED3熄滅;當電池電壓低于35V時,LED2熄滅;當電池電壓低于33V時,LED1熄滅,此時應給電池充電。調節VR1、VR4、VR3可分別設定LED3、LED2、LED1熄滅時的電壓。LED4用作電源指示,LED5用作欠壓切斷控制器輸出指示。
蓄電池過放電保護 當蓄電池放電到31.5V時.LM324的①腳輸出低電平,三極管Q5導通,約5V電壓加到TL494的死區控制端④腳.該腳電位≥3.5V,就會迫使TL494內部調寬脈沖輸出管截止,從而使三極管Q1、Q2截止,電機停止運轉,蓄電池放電停止,進入電池保護狀態。此時LED5點亮,指示出該狀態。VR5用于設定電池保護點電壓。
電機過流保護 R30為電機電流取樣電阻,當過流時,取樣電壓經R14加到TL494的⑩腳。當⑩腳電位高于⑩腳電位時,TL494內部運放2輸出高電平,迫使TL494內部調寬脈沖輸出管截止,從而使Q1、Q2截止,電機停止運轉,從而保護了電機。
制動保護 當剎車制動時,KEY2接通.5V電壓加到TL494的死區控制端④腳,迫使TL494內部調寬脈沖輸出管截止,從而使Q1、Q2截止,電機停止運轉,實施制動保護。
2)調試
調速電路零速調試:速度轉把完全松開.調節VR2使電機停轉并再調過一點以保證可靠置零速。制動調試:轉動速度轉把,電機旋轉。此時閉合制動開關KEY2,Q2柵極應立即變為低電平0V。過流保護調試:轉動速度轉把,Q2柵極為高電平12V。此時在源極對地之間加上0.8V左右的電壓,柵極應很快變為低電平。
蓄電池放電指示電路用可調電源代替蓄電池。電壓為38V時,調節VR1,使LED3剛好熄滅;電壓為35V時,調節VR2,使LED2剛好熄滅;電壓為33V時,調節VR3,使LED1剛好熄滅;電壓為31V時,調節VR5,使LED5剛好點亮,此時TL494的④腳應為高電平5V左右,進入電池欠壓保護狀態。通過上述設置,僅LED1點亮時,電壓為33V-34V,應及時給蓄電池充電,不過LED1熄滅至LED5點亮這段時間,蓄電池還可維持運行,但LED5點亮時,進入欠壓保護狀態。此時應注意,過一會兒電池電壓因電機停轉而回升,保護解除,又恢復工作。如此反復保護-工作-保護的結果會損壞電池和控
制器,故應避免出現這種狀況。
(2)上海偉顯牌控制器
使用LM324、LM393和LM339制作的有刷控制器可靠性是很高的,就是器件數量多些。該控制器僅用一片LM339制作有刷控制器部分。用另一塊LM339制成電量顯示部分。顯示部分見圖3,電路原理見圖4所示。
上海偉星對該控制器的調速采用了光電速度轉把。由于北方干燥,沙土灰塵大,影響了光電速度轉把的使用。實踐證明,完全可以用霍爾速度轉把替代它。具體方法見圖5。
光電速度轉把改為霍爾速度轉把關鍵有兩點:一是加裝+5V穩壓電源;二是根據原速度信號輸出點信號變化規律,選用相應信號變化的霍爾調速轉把。
該有刷控制器以PWM電路為核心,前面有三角波發生器、電瓶欠壓檢測、電機過電流檢測;后面有驅動、功率開關等。每部分都是獨立的.檢查調試都比較方便。三角波發生器由IC2A、R17、C5、D2、R9、R10等組成施密特振蕩器,在C5上產生三角波。脈寬調制器是IC2B,它的輸入之一⑥腳,為來自C5上的三角波,輸入之二⑦腳,是來自速度轉把(J1)①腳的速度信號。從IC2B①腳輸出調寬脈沖,送互補推挽放大器?;パa推挽驅動由T3、T4組成,脈沖高電平到來,上管NPN管T4導通,12V加到功率管T1、T2的柵極,T1、T2導通;脈沖低電平到來,上管NPN管T4截止.下管PNP管T2導通,將T1、T2柵極的電荷迅速放掉,T1、T2截止。電池欠壓保護由IC2C組成電壓比較器,當電瓶電壓低于31.5V時,它的⒁腳變為低電位,相當于R13輸入一端接地,將轉把速度信號降到接近零伏.使IC2B①腳呈低電平,T4截止、T3導通;T1、T2截止。過電流保護由IC2D組成電壓比較器,當過電流時。R4右端電位變低.通過R5加到IC2D⑾腳,比較器翻轉⒀腳變為低電位,同樣相當于R13輸入一端接地.將轉把速度信號降到接近零伏,使T1、T2截止。
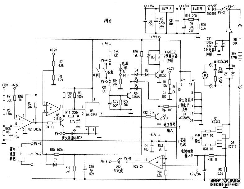
(3)四川綿陽產某牌中功率有刷控制器
該控制器采用無刷專用芯片,MC33035為核心制作的有刷控制器。
控制器電路原理圖見圖6所示,該控制器的特點是剎車時三管齊下,具體工作原理如下:
剎車電路主要由J、Q3、Q6等組成。繼電器常開觸點串聯在電機的供電電路中,+24V通過R29、D8為Q3提供基極電流,Q3導通,J得電吸合,常開觸點閉合,電機得電。
1)當剎車時,左、右剎車開關閉合,+15V通過R25、R21為Q6提供基極電流,Q6導通,集電極電位降低,D4導通,使D8截止,Q3失去基極電流而截止,J失電,常開觸點斷開,電機失電停止轉動。
2)在Q6導通,集電極電位降低時,D5也導通,降低了U1的⑦腳電位。該腳低電平關斷PWM輸出。
3)在Q6導通,集電極電位降低時,D6也導通,無論調速轉把在低速或高速位置,均將霍爾調速轉把轉速信號對地短路而降低送往U1⑾腳的信號電壓。
欠壓保護電路由欠壓檢測U2B和單端觸發器U3組成。其輸出經Q4倒相送U1的⑦腳,關斷U1的輸出。轉把電壓檢測U2C的輸出送單端觸發器U3強制復位端④腳進行調速工作。
(4)北京某牌帶防飛車功能有刷控制器
電路原理圖見圖7。
防飛車功能是靠串聯在電機和電源正極之間繼電器J的常閉觸點J實現的。下面兩種情況之一,都會使繼電器得電,斷開電機電源:一是電機過流;二是速度轉把在零速位置時,VDMOS的漏極D為低電位(開關管擊穿)。電機過流,電流取樣電阻R1下端電壓變低,電流檢測IC1A的②腳變低,①腳變成高電位,經D5使T7、T8導通,J得電,常閉觸點斷開。
當速度轉把在零速位置時,PWM IC2的①腳低電位,D3截止,T6截止,其集電極高電位。一種情況:如果功率開關管沒擊穿則VDMOS的漏極D為高電位,經R6使T6導通,其集電極低電位,二極管D4是正與門,由于T5、T6集電極只有一個高電位,二極管D4截止,T7、T8截止,J不得電,其常閉觸點閉合.使電機受控于T1、T2;另一種情況:如果功率開關管已擊穿,則VDMOS的漏極D為低電位,經R6使T5截止,其集電極高電位,二極管D4是正與門,由于T5、T6集電極都是高電位,二極管D4導通;T7、T8導通,J得電,其常閉觸點斷開,使電機失電而達到防飛車保護。
當速度轉把不在零速位置時,PWM IC2的①腳是一串正脈沖,經積分電路R20、C7積分,C7電位升高,D3導通,T6導通.其集電極低電位,二極管D4是正與門,無論T5集電極電位是高還是低,二極管D4都截止,T7、T8截止。J不得電,其常閉觸點使電機得電。保證了功率開關管VDMOS正常導通時的漏極D為低電位,電機只要不過流即可控制電機旋轉。
(5)三友SAYO ZHD2大功率有刷控制器電路
這款控制器是石家莊地區貨運三輪主流控制器之一。電路原理方框圖及接線圖見圖8所示。該電路的特點是:
(1)頻率低,約150Hz,因而續流二極管采用了普通整流橋;
(2)沒有欠壓和過流保護;
(3)采用了簡單的門電路作三角波發生器;
(4)采用5只大功率VDMOS并聯,并且采用了簡單均衡電路;
(5)速度轉把是自制的光電速度把。

該控制器有36V、48V、60V多種規格,主要區別在功率管部分,電路見圖9。如此簡明的控制器,主要損壞元件就是功率管。損壞的原因主要是串激電機碳刷接觸不良,高壓擊穿功率管;還有堵轉造成的過流和過熱。
?
(6)電動機有刷控制器小結及維修
無論更換原配套、還是換用其他品牌的有刷控制器,首先要搞清控制器的幾條基本連線:電源正、負線,兩條電機接線,三條速度轉把接線,剎車把接線,鑰匙接線。儀表接線等。進一步判斷霍爾速度轉把三條接線,具體到哪一條是+5V、地和速度信號,剎車把接線是斷開有效還是短路有效等。
修理有刷控制器,首先要根據現象粗略估計損壞部位,排除控制器外部接觸不良等低級故障。例如:飛車現象可能是VDMOS擊穿,也可能是霍爾速度轉把的接地端懸空;加電不轉可能是控制器故障,也可能是外部連線燒斷或接觸不良,特別是剎車開關、鑰匙、電池等部位;加載無力可能是電流取樣電阻脫焊,也可能是電機問題等。確實認定是控制器內部故障,再打開檢查維修。
要認清控制器內部關鍵器件,有些器件外形一樣,例如TO-220封裝的VDMOS、三端穩壓器78xx、續流二極管等。生產廠商為保密往往把元器件的印刷標示打磨掉了,給維修增加了麻煩。小功率控制器,可根據連線部位等特征來認定,例如:續流二極管兩端和電機兩條線是并聯關系,用萬用表測一下就清楚了;VDMOS和三端穩壓器78xx雖然都有一端接地,但VDMOS一端接電機,穩壓器78xx則不接電機。集成塊也可以從腳數和連線部位等特征來區分,例如:TL494是16腳的。LM324和LM339是14腳的,LM393和LM358是8腳的;雖然LM324和LM339都是14腳的,但是供電腳不同,LM324供電端是④腳,而接地端是⑾腳。LM339供電端是③腳.接地端是⑿。
接有直徑1mm長度大約1cm的鎳銅絲或康銅絲的電阻,一般是電流取樣電阻,一端接VDMOS的源極S,一端接電池負極(粗黑),康銅絲兩端受熱很易造成焊錫脫落??赡茉斐奢p載正常、重載無力等故障。
根據原理圖可以進一步沿信號通路分析,有刷控制器核心部位就是PWM。它前面的輸入信號,一路是三角波發生器的三角波,一路是霍爾速度轉把的速度信號。PWM的驅動信號加到VDMOS柵極。
維修重點:一是VDMOS??刂破髦芯褪荲DMOS損壞率高,多數為DS間擊穿.造成加電就高速旋轉。在不加電情況下,用萬用表一測便知,一般換用好管故障就會排除。更換時,要注意絕緣和散熱,要墊上導熱絕緣片并涂上導熱硅脂,固定好散熱板的緊固件。伴隨VDMOS擊穿,還可能有其他周邊元件損壞。如互補推挽下管PNP管等。另一個是穩壓電源,可以帶電檢查其輸出是否為額定穩壓值,如沒有,排除輸出短路后,再沿電路向前檢查。對于控制芯片采用TL494的電路,盡管內部復雜,只要檢查關鍵點,就能判斷大致情況。TLA94第⒁腳為+5V參考電源輸出端,如⑿腳供電正確,⒁腳沒有+5V。一般就是芯片壞了;③腳也是關鍵點,它為高電位時,芯片關閉輸出,如果它為高電位,要檢查造成原因,例如欠壓保護,霍爾調速把故障等;④腳在有刷控制器中也是關鍵點,它為高電位(3.6V)時,芯片關閉輸出,如果它為高電位,要檢查造成原因。也可以檢查后部的關鍵點,例如VDMOS柵極電壓是否隨霍爾速度轉把轉動變化等。
功率開關管損壞的原因和對策:
1)熱損壞開關管過熱后性能下降,極易損壞。開關管發熱主要是導通損耗和開關損耗。導通壓降和電流的乘積越大發熱越多。壓降大原因之一是器件本身問題,靠嚴格篩選解決,并聯使用要經過配對;壓降大原因之二不是器件本身問題,是開關通過放大區時間過長,通過改善(柵極驅動和泄放)電路設計解決。欠壓保護和過流保護工作在臨界(如堵轉引起逐周過流保護動作)時,切換頻繁,PWM頻率升高,開關管開關損耗隨頻率升高而升高造成過熱。關于欠壓保護工作在臨界切換頻繁的改進,采用改進施密特電路,正反饋加一個二極管和一個電阻。
2)電壓擊穿主要是開關管本身耐壓不夠,當電壓過高的一瞬間,還沒來得及將熱傳到散熱器,管子DS就擊穿了,所以也稱冷擊穿。器件本身應經過嚴格篩選,并聯應用器件要經過配對,否則易損壞;外因主要是電機大電流工作時,突然關斷,引起瞬間高反電勢,例如有刷電機碳刷接觸不良。解決方案是并聯大電流、高速、低壓降續流二極管.例如采用30A雙快恢復(或肖特基)管。還有,在開關管DS間加阻容吸收保護。
3)提高大功率控制器可靠性對策 大功率控制器要采用大電流高反壓耐高溫開關管。但是,大功率場效應管耐壓和導通電阻制造時是有矛盾的,例如耐壓60V左右的管子,導通電阻可以做到8mΩ,耐壓升高到100V,導通電阻就成幾倍增加。行之有效的措施是:一是降低振蕩頻率;二是增加并聯器件數;三是增加驅動功率;四是加大散熱板面積;五是振蕩、三角波形成、PWM等電路不用WPM專用芯片TL494等,而選用故障率較低的比較器(LM339)、簡單門電路等器件制作;六是功率冗余,就是功率管和續流管多只并聯,但要特別注意分布參數;七是欠壓保護改為欠壓提示,不關斷等。
?
?
?
?
2.無刷控制器
有刷電機是靠換向器(也叫整流子)來保證轉子(旋轉部分)和固定部分的磁場保持連續朝一個方向的吸引力或排斥力。這套換向機構最重要的機件就是電刷,控制器無須改變電流方向,其控制器叫有刷控制器。換向器有觸點,是有磨損的。而無刷直流電機本身沒有換向器,靠控制器改變電機線圈內部電流方向,同樣保證轉子和固定部分的磁場,保持連續朝一個方向的吸引力或排斥力。控制器采用晶體管無觸點開關,永不磨損,這就是無刷控制器。無刷控制器一般靠霍爾傳感器確定轉子磁場位置,在恰當時機給相應線圈改換電流方向。位置傳感器除霍爾傳感器,還有光電傳感器等。采用霍爾傳感器的無刷電機和無刷控制器之間一般有8條導線連接;三根粗線是線圈引線,5條細線中,一條+5V,一條公共地,三條轉子位置信號線。
當前市場上,無刷控制器有兩大類:一類以單片機為核心,一類以專用芯片MC33035(MC33033)、A3932SEQ、LB11690、MC33039等為核心。
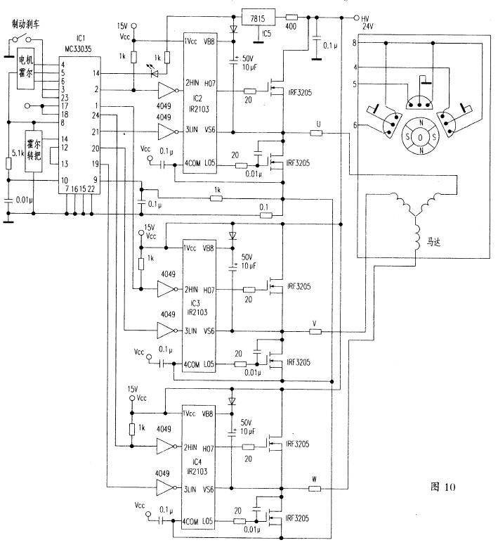
(1)24V電動自行車用無刷控制器電路
讀者可以查到芯片廠家給出的無刷控制器典型應用圖。圖中在無刷電機和MC33035之間,僅有個驅動電路的方框,沒有具體電路,一般認為是典型三相橋式輸出電路,上管為雙極型三極管,下管為VDMOS場效應管。也有人認為上管為P溝道場效應管,下管為N溝道場效應管。由于大功率P溝道場效應管價格昂貴,限制了應用。國內在三相橋式輸出電路中,上管、下管全部采用VDMOS場效應管,驅動有的采用IR2103(驅動一相),有的用IR2130(驅動三相,但價格昂貴)。有的采用分立元件,由此派生出了幾種版本。
關鍵問題是,在上管導通時,漏極和源極電位近似等于電源正極電位,要保持上管導通,必須使上管柵極電位高于電源正極電位12V左右。IR2103和IR2130 比較簡單,通過外接一只隔離二極管和一只自舉電容就解決了。當下管導通上管截止時,隔離二極管導通,自舉電容充電,兩端電壓接近電源電壓;當下管截止上管導通時,隔離二極管截止,自舉電容儲存的電荷給上管柵極供電,電位大大高于電源正極電位,使上管保持導通。
圖10是一個24V電動自行車用無刷控制器電路。圖中三只接在VCC和VB之間的二極管為隔離二極管,接在VB和VS之間的電容為自舉電容。

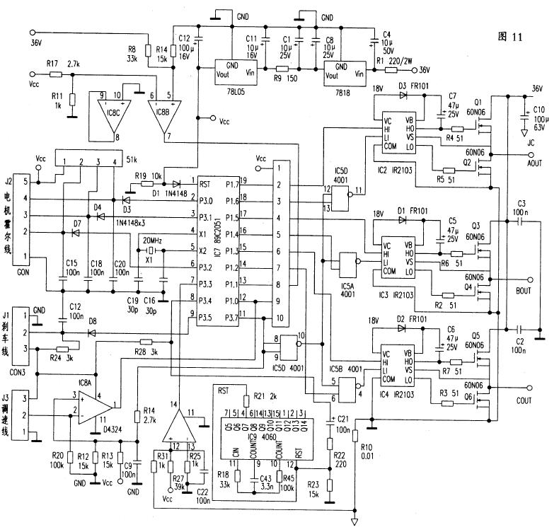
(2)采用單片機的電動車無刷控制器
圖11是以89C2051為核心的控制器電路圖。由于89C2051屬低端產品,內部沒有PWM和A/D轉換,它借助了三個模擬比較器完成相應工作。IC8B作為電池欠壓檢測器,欠壓時,給單片機(13)腳一個低電平;IC8D做過流檢測器,過流時,給單片機⑦腳一個低電平;借助普通I/O口(11)腳輸出,通過積分電路和轉把模擬速度信號在IC8A進行比較后.輸入單片機(12)腳,用軟件完成PWM控制,然后分三相六路輸出到三個專用驅動芯片IR2103。由IR2103驅動每相的上、下VDMOS管。

單片機通過內部軟件完成任務,不同產品的軟件差異很大,寫入程序時一般都進行了加密。市場上銷售的單片機是空白的,內部程序需用專用設備進行燒寫。因此,采用單片機的各種控制器,普通售后服務作維修只是更換外圍元件,單片機本身損壞,更換工作要依靠原生產廠商進行,或供應寫有程序的單片機。單片機就是單片微型計算機,它的加入可以很容易地增加一些所謂智能功能,例如巡航功能。巡航功能就是通過按一下巡航功能按鈕,電動自行車就以剛才的速度繼續前進,松開霍爾速度轉把也不受影響。
3.其他控制器
(1)未涉及到的無刷控制器
也有不需要位置傳感器的無刷控制器,它是通過檢測線圈電動勢判斷轉子位置的。顯然,電機未轉動時,它是不能判斷轉子位置的,可以等電機轉起來再加電,也可以按一定序列加電,試探出轉子位置后,然后正確加電。
(2)未涉及到的開關磁阻電機的控制器
開關磁阻電機是又一種電機,過去在紡織行業有應用,現在有人研究將它用到電動自行車上,它的控制器類似無刷控制器。
電子發燒友App
























評論