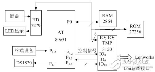
針對目前家庭智能化所存在的功能規劃不詳盡、設備功能單一、運用技術參差不齊等缺點,本文運用現場總線LonWorks技術開發家庭智能控制系統,來實現家庭中三表計費、三防(防火、防災、防盜)、室內環境
2021-06-14 14:38:00
4001 
我知道LonWorks現場總線是美國Echelon公司推出的局部操作網絡,如果將他使用在嵌入式應用中又是如何實現呢?
2021-03-05 06:28:08
的一些優秀的軟件,節省了開發費用。最后,使用現場總線企業網能夠更容易地實現工業過程管理決策與控制的一體化--CIPS(計算機集成過程系統)。 六、結束語 FCS的關鍵是現場總線技術與現場總線智能
2018-10-26 16:51:59
實際上現場總線控制系統就是以現場總線技術為核心,以基于現場總線的智能I/O或智能傳感器、智能儀表為控制主體、以計算機為監控指揮中心的系統編程、組態、維護、監控等功能為一體的工作平臺。
2019-11-08 06:42:43
的要求。電子看板系統需要具有生產數據的集中、實時任務處理、現場 信息反饋的功能,具備更強大的數據采集能力,能夠進行大容量存儲。電子看板系統是目視化管理的一種表現形式,即對數據、情報等的狀況一目了然地表
2018-12-03 19:23:31
,引起了自動化系統結構的變革,逐步形成以網絡集成自動化系統為基礎的企業信息系統。現場總線就是順應這一形勢發展起來的新技術。現場總線是當今自動化領域技術發展的熱點之一,被譽為自動化領域的計算機局域網。它
2020-03-16 10:38:45
LABVIEW開發汽車CAN總線數據采集系統
2012-08-20 19:25:45
、聯動響應的生產過程數字化管理平臺,實現制造數字化的總體目標。
每個廠家所使用的設備皆不相同,這也導致接口多種多樣,數據采集分析系統具備多種接口,能適應各種復雜的生產現場,這實現了各種設備的數據聯通
2023-12-01 17:09:30
提供同一時間的電量數據。 遠程無線集中抄表系統具備現場抄表終端和中繼站故障自檢功能。5結束語 通過人工智能化抄表技術的開發應用,將有利于完善抄表管理模式;提高抄表管理的工作效率;減少人為因素造成的電量抄收錯誤;有效降低管理線損;節約人工使用成本;提高抄表過程中的安全性。
2010-01-14 10:25:06
什么是LONWORKS技術?LONWORKS NETWORKS的技術特點有哪些?
2021-05-25 06:01:10
領域,數據采集領域已經發生了重要的變化。首先,分布式控制應用場合中的智能數據采集系統在國內外已經取得了長足的發展。其次,總線兼容型數據采集插件的數量不斷增大,與個人計算機兼容的數據采集系統的數量也在增加。國內外各種數據采集機先后問世,將數據采集帶入了一個全新的時代。
2016-01-28 08:24:25
;><font face="Verdana">2.或者現場總線是以單個分散的數字化智能化的測量和控制設備作為網絡節點用總線相連接
2009-11-17 09:22:44
針對目前家庭智能化所存在的功能規劃不詳盡、設備功能單一、運用技術參差不齊等缺點,本文運用現場總線LonWorks技術開發家庭智能控制系統,來實現家庭中三表計費、三防(防火、防災、防盜)、室內環境
2021-06-17 07:30:00
針對目前家庭智能化所存在的功能規劃不詳盡、設備功能單一、運用技術參差不齊等缺點,本文運用現場總線LonWorks技術開發家庭智能控制系統,來實現家庭中三表計費、三防(防火、防災、防盜)、室內環境
2021-06-23 07:30:00
的是RS-485,HART等。CAN總線是一種全數字化的現場總線,可靠性高,在國內有廣泛的應用,將現場總線技術應用到閥門控制系統中不僅使我國的通用型閥門具有了網絡通信功能,而且對我國閥門電動裝置參與國際競爭也具有
2011-03-09 16:03:22
,電力系統自動化程度也日益提高,通過數字信號處理技術和現場總線技術的應用提高了電力系統的可靠性和可維護性[2]。本文設計的數據采集系統,選用TI公司推出的C2XXX系列的32位定點DSP芯片
2009-12-08 10:28:19
Power Distribution System)。該系統很好地滿足了以上要求,具有智能化和人性化兩大特點。系統采用DeviceNet總線進行數據的交互傳遞,很好地滿足了系統可靠性、實時性及成本方面
2017-03-21 16:32:31
基于Modbus現場總線的數據采集與控制系統基礎電路如何實現,電路圖怎么設計?1.系統由一個主機和四個從機構成。其中,四個從機分別以不同的接口形式連接了傳感器,不停地采集相應的傳感信號,主機通過
2019-06-19 21:47:03
, 因此如何來實現該監控系統中大量數據的高效、快速、準確地采集和傳輸成為設計該監控系統所面臨的一個主要難題。而本文所研究的基于PCI 總線的高速數據通信卡的設計正是解決上述難題的關鍵技術之一。PCI
2010-09-22 08:51:09
隨著社會經濟的飛速發展及計算機控制技術等科技的進步,人們對自身的生活和工作環境有了更高的要求,由此對家居智能化控制系統的要求也越來越緊迫。設計家居智能化控制系統,對促進住宅現代化建設具有重要意義。
2019-10-08 10:03:50
前言隨著生活水平的提高,家具智能化的需求逐步顯現,溫度、濕度等數據采集的應用也開始顯現出越來越大的市場潛力。本文中,通過Silicon Labs的Si7001溫濕度傳感器,C8051F985低功耗
2019-07-08 08:31:26
基于PCI總線的數據采集系統的進一步開發和應用,因此迫切需要設計一種更為簡便通用的高速數據采集通信系統來完成數據采集以及與計算機的數據交互。 近年來通用串行總線(USB)以即插即用等技術優勢得到了廣泛
2019-05-07 09:40:04
基于USB總線的高速數據采集系統介紹了一種基于USB總線的高速數據采集系統,討論了USB控制器EZ-USB FX2?CY7C68013?的性能及傳輸方式?給出了該系統的硬件和基于GPIF主控方式實現
2009-04-11 17:20:15
傳統總線不足之處,在此基礎上研究了基于USB的數據采集系統,根據系統應該達到的技術指標,從而確定系統的整體框架和各個部分芯片的選擇。整個系統包括硬件設計和軟件設計兩部分,實現數據高速轉換和采集、數據
2009-06-10 00:57:49
解決這一難題,完成工業生產的智能化管理。
工業數據采集分析系統就是在這一需求下誕生的,它能進行實時數據采集,具備多種接口,根據實際生產需求及預算等對不同臺數設備進行數據采集,并根據具體的需求進行各種分析
2023-12-12 17:12:30
摘要:闡述水庫信息智能化系統的組成以及如何采用EIP嵌入式智能平臺平臺(文中以EVOC嵌入式智能平臺為基礎),利用現有的計算機技術、工業控制技術、Web網絡,將水利信息各子系統整合起來,為實現系統
2012-11-09 18:41:16
于車間設備與工藝系統的遠程維護和管理;小區二次供水水泵遠程監測及控制、智慧水務;油氣田和油井等現場的監測和控制;電能數據監控系統,工廠機器設備、生產線運行狀態監控系統;生產信息采集系統等無線監測與預警;智能樓宇、電梯監控、智能交通、工業自動化、智慧工廠及其他工業4.0領域等應用。
2020-10-26 19:03:56
最為核心的生產能力,又沒有對安全的充分考慮,造成損失,是難以彌補的。亞為無線設備,均有安全加密控制功能,防范風險。工業數據采集方案方案一:工業現場數據采集系統(YAV UMS)通過裝在機器上的采集
2020-03-02 15:03:02
管理、智能化生產提供基礎數據支持,賦能工廠管理者高效決策。
什么是數據采集?
工業數據采集是利用泛在感知技術對多源設備、異構系統、運營環境、人等要素信息進行實時高效采集和云端匯聚。包括設備接入、協議
2023-08-07 20:53:23
的數據采集、運行監測、安全預警、趨勢查詢、統計分析、決策輔助等系統服務,為管理者提供更加安全、高效、智能的現代化管理方式。服務領域包括:換熱站遠程集中監控、工業生產狀態監測、企業能源使用監管、環保排放監測
2012-05-29 10:55:55
生產工藝流程所需的透明度。生產數據采集系統是實現工廠智能化改造的第一步,也是現場生產執行層與管理層之間的信息紐帶,能夠實現異常數據實時反饋、管理推送可視化、現場監控遠程化、過程管控集成實時化,最終實現數字化智能化
2018-08-02 16:14:55
通信,同時也實現現場總線網段與以太網段的連接;第三層信息層提供實現遠程控制的平臺,并連接到企業自動化系統,同時從控制層提取有關生產數據用于制定綜合管理決策。 自另一個角度來,物聯網可以使所謂的自動化跟
2014-07-23 07:41:30
物聯網數據收集在許多行業都是非常重要的,因為它可以實時監測和管理遠程系統。隨著工業物聯網的發展,工業設備的智能化程度越來越高,然而設備的通訊受限于不同設備的物理鏈路、各種不同的協議,因此大多數數據
2022-09-07 19:14:54
用CC2530 建立Zigbee數據采集系統的設計論文為了使工業生產中的技術人員不用親自去現場或者惡劣的環境就可以實時采集現場設備的數據信息及狀態參數,結合ZigBee技術適用于數據采集系統的特點
2016-03-08 10:03:33
數據采集系統 項目概要業務范圍包括鉛酸電池/鋰電池領域,實現從計劃的自動下達至工位終端、數據智能采集、安燈系統、可視化系統、在線維修、跨工序智能控制、在線質檢、異常實時預警、賦碼智能管控、激光打碼控制、自動
2018-09-02 12:59:46
汽車智能化是一個籠統的概念,而將其按功能性細化后,汽車智能化技術能為司機帶來多方面的收益。例如,增加駕車安全性、節省旅途時間并提升汽車燃效、更好的車內娛樂體驗等。本文將盤點當前最先進的汽車智能化技術,有了它們,你的汽車就能“馬上智能”!
2019-07-03 06:08:36
隨著計算機技術、通信技術和控制技術的發展,現場總線技術逐漸被廣泛運用到工業控制系統中,在紡織工業中也開始得到應用。本文介紹了現場總線的基本原理,對現行的幾種現場總線進行了比較,在分析總結數字化紡織生產控制系統發展新特點的基礎上,介紹了現在國內外紡織行業在應用現場總線方面的情況。
2020-05-12 06:41:58
造成數據的滯后、錯誤與丟失,提高生產效率和管理水平。自動化設備 數據采集系統 在各行業的開法應用的步驟方法就顯得尤為重要。自動化設備數據采集系統在航海事業、光纖制造產業,數控技術領域,能源自動化行業等
2018-10-21 17:24:17
,可以進一步挖掘水庫的潛力,加強水庫運行的可靠性,水庫智能化系統的建立,將大大提高雨情、水情、工情、旱情和災情信息采集的準確性及傳輸的時效性,作出及時、準確的預測和預報,制定防洪抗旱調度方案,為上級部門的決策提供科學依據。
2019-11-06 08:29:20
很好地發揮PCI總線的性能。針對這些不足,在分析了流水線技術特點的基礎上,論述了采用流水線技術設計基于PCI總線高速數據采集系統的方法。按該方法設計的數據采集系統,可以達到很高的數據采集速度和數據
2009-10-30 15:09:49
隨著智能化在汽車工業快速推進,智能駕駛系統的復雜程度已經遠超一般的汽車,為了確保車輛系統的可靠性,研發中對產品功能的驗證和測試流程必不可少
2021-04-14 17:28:04
基于DSP和CAN總線的機車故障數據采集系統設計
2009-05-08 17:19:01
16 介紹LonWorks 總線電力數據采集模塊的功能與實現、電力參數的計算方法、軟件設計以及微處理器與LonWorks 總線主控制模塊的通信方法。
2009-05-14 14:10:08
15 敘述智能節點在現場總線控制系統中的重要性,提出擴展智能節點I/O點數的方法和電路原理圖, 并給出采用該智能節點組建的基于LonWorks 技術的現場總線控制設備的應用實例。
2009-05-14 14:21:51
11 在海洋環境中,可能需要對多種物理參數進行采集與傳輸。本文在分析比較多種遠程數據傳輸方式的基礎上,提出一種基于CAN 總線技術的遠程數據采集系統的硬件和軟件設計方案。
2009-05-30 10:58:38
17 本文介紹了LonWorks現場總線和LNS的特點及原理,利用神經元芯片對A/D轉換器進行控制的數據采集系統的硬件實現與軟件設計。通過消息在基于LonWork
2009-06-12 14:19:41
19 本文介紹了LonWorks現場總線和LNS的特點及原理,利用神經元芯片對A/D轉換器進行控制的數據采集系統的硬件實現與軟件設計。通過消息在基于LonWork
2009-06-12 14:19:42
9 電梯是現代高層建筑不可缺少的交通工具,目前多數電梯采用 PLC 控制。本文提出了一種基于Lonworks 現場總線技術的電梯控制系統的設計方法。論文先介紹了Lonworks 現場總線技術的概
2009-06-13 11:59:10
14 本文首先簡單介紹了 Lonworks 現場總線技術及其優勢,隨后闡述了Lonworks 技術在BAS 中的應用和LON 模塊與DDC 的連接方式,最后詳細介紹了LON 模塊的分類、特點、模塊配置方法和
2009-06-15 08:21:29
26 隨著電子技術和計算機技術的迅速發展,住宅小區的智能化發展已成為一種趨勢,智能小區具有智能化、數字化、網絡化、便捷化等特點。本文介紹了一種基于LonWorks 技術的智能
2009-06-19 09:58:38
11 基于PCI總線的高速數據采集卡系統設計與實現:本文介紹一種基于PCI總線的高速數據采集卡系統的設計方法,討論了設計高速數據采集系統的關鍵技術,給出了系統整體設計方案和P
2009-06-22 19:04:54
55 文中提出了一種基于LonWorks 的數據采集系統的節點設計方案,給出了硬件框圖和軟件設計。該采集節點以中小型服裝企業的自動化生產管理為應用背景,用單片機作為主控制器
2009-06-24 09:51:11
31 在簡要介紹了嵌入式PC/104 總線標準的基礎上,討論了基于該總線構建的數據采集系統及其在機械加工設備狀態監測中的應用。本文對數據采集系統的組成、軟硬件設計、功能特點等
2009-07-30 14:35:17
55 介紹了LonWorks 現場總線和門禁系統的有關知識,設計了一種基于LonWorks 總線的門禁系統,深入分析了系統結構,門禁智能節點的軟硬件設計。本設計對于LON 技術應用于安防系統,具
2009-08-07 09:52:09
21 本文構建了基于LonWorks 現場總線技術的網絡電能監測系統,該系統實現了實時監控、自動抄表和計費等功能,且搭建靈活,使用方便。文中給出了系統各部分硬件和軟件的具體實
2009-08-13 10:23:50
7 介紹了LonWorks 現場總線和單線數字溫度傳感器DS18B20 的特點及原理,利用CY53120 和AT89S52 構成了基于主機的Neuron 節點,設計了多點溫度測控系統,給出了其硬件及軟件實現。關鍵詞
2009-08-15 10:27:05
27 本文對基于PCI 總線的數據采集系統硬件及軟件設計作了詳細的說明,設計出的數據采集系統可以應用于諸如數字示波器、數字頻譜儀和語音識別等領域。系統采用了PCI 總線作為
2009-08-15 10:48:20
21 現場總線綜合了數字通信技術、計算機技術、自動控制技術、網絡技術和智能儀表等多種技術手段,其數據通信具有較高的可靠性、實時性和靈活性。在現場總線控制網絡中,系
2009-09-03 10:18:44
20 根據海洋浮標的特點,運用現場總線技術,設計了基于CAN 總線的浮標數據采集系統。實驗表明,CAN 總線的應用為傳統的海洋浮標采集系統提供了一種新的采集方式,具有高速度、
2009-09-03 11:34:10
18 介紹了CAN 總線在航天領域的應用狀況,在對CAN 總線技術和DSP 芯片功能研究的基礎上,設計了基于CAN 總線和DSP 的雙層數據采集系統,本數據采集系統對于CAN 總線技術在航天領域
2009-09-26 09:11:39
23 系統由傳感器、DAQ 測量硬件及配套軟件組成,廣泛應用于工業、科學研究和現場等數據采集系統,可為測試測量、智能工廠決策等提供高效的支撐。 特點? 
2024-09-20 15:57:41
銀河數據采集分析系統——軟件介紹 數據采集系統主要是通過以太網對WP4000變頻功率分析儀、DP1000直流功率表、VFE2000數據采集儀、EV
2024-10-08 13:33:21
ADDI-DATA 現場總線數據采集產地:德國品牌:ADDI-DATA ADDl-DATA公司專注于開發抗干擾 DAQ 卡(目前仍用于 ISA 總線)、定制解決方案和用于惡劣工業環境的專用
2024-10-30 16:44:13
萊鋼新建3#750高爐槽下稱量系統中采用現場總線技術,通過schneider公司的智能稱重模塊和mb+網絡軟、硬件構成現場實時數據采集
2009-03-13 12:25:28
633 【摘 要】 詳細介紹了基于計算機PCI總線大容量雷達數據采集系統的研制和實現方法。該系統提供了兩路20MHz最高采樣頻率、12位采樣精度的數據采集通道。
2009-05-16 19:23:31
1362 
分析了藥廠環境控制系統的原理、構成和功能,介紹了LonWorks現場總線技術在藥廠環控系統中的具體應用。
關鍵詞:環控,LonWorks,現場總線
1
2009-05-17 12:55:51
1387 
基于PCI總線多通道數據采集系統的設計
摘 要:基于PCI總線的高速數據采集系統是近年來數據采集及其傳輸技術的一個發展方向。文中
2009-10-22 17:52:10
1590 一種基于CAN總線技術的數據采集系統設計
1 引言海洋環境中,由于測量現場離岸較遠,環境惡劣,必須將測量裝置與計算機系統分開,構成遠程數據采集系統。遠程
2009-11-11 16:35:28
1675 
PCI總線接口技術及其在高速數據采集系統中的應用
一種基于PCI總線的高速數據采集傳輸系統的實現,討論了PCI總線控制器9054的性能及三種傳輸模式,
2009-12-08 14:39:06
1338 
基于CAN總線數據采集的遠程抄表系統設計
本文主要提出一種小區電能表自動抄表的系統設計方案。隨著智能化建筑在許多國家應運而生。自動抄
2010-05-13 16:26:02
2361 
摘要:隨著數字信號處理技術和計算機技術的不斷發展,基于DSP的PCI總線數據采集系統將會得到越來越廣泛的應用。以實際開發的系統為背景,詳細論述了基于DSP的PCI總線結構的數據采集系統硬件及軟件設計方案和實現方法。 關鍵詞:DSP;PCI總線;驅動模型;數字
2011-02-28 00:36:31
119 摘要:介紹一種結合DSP和LonWorks技術的智能實時數據采集節點該智能節點既充分利用了DSP準確度高、靈活性大、可靠性高等優點:又利用LonWorks技術實現了具有開放性、分布性和互操作性的系統。 關鍵詞:數字信號處理;局域操作網絡;電力系統;監測;節點
2011-02-28 12:34:09
28 本文簡要對現場總線進行了介紹,并著重就 Profibus 現場總線技術進行了分析,同時將該技術應用于汽車質檢線數據自動化采集系統的設計,取得了良好的使用效果。實踐表明,Profibus 現場總
2011-06-15 16:40:03
37 介紹基于LonWorks現場總線的新型監控系統的組成,軟件開發環境、數據流圖及組網圖、LonWorks DDE技術 節點與節點之間的通信技術以及節點與單片機之間的通信技術。
2011-06-18 17:47:44
43 講述了LonWorks 技術在校園安防系統中的應用。實踐表明校園安防系統利用 LonWorks 總線技術將校園的信息服務、管理和安全高程度集成,為校園的服務與管理提供了高技術的智能化手段,
2011-08-04 17:41:45
37 文章從系統設計的角度對 智能化配電 系統進行論述,對現場總線及智能配電系統進行簡單介紹,結合產品市場討論怎樣合理組建系統框架,選擇監控點,進行產品選型,軟件功能的選
2011-08-24 15:47:13
46 隨著cPCI總線技術的發展,cPCI總線逐漸代替了PCI總線、VME總線,成為測控領域中最受人們青睞的總線形式。通過分析PCI總線協議,理解高頻數字電路設計方法和高速數據采集原理,本文開發了基于cPCI接口的高速數據采集系統。經過綜合測試和現場應用驗證表明,采集系統己達到了要求的性能指標。
2016-01-06 11:33:27
21 基于Lonworks現場總線的列車實時網絡監測系統_石楠
2017-01-18 20:24:57
3 SPI總線的多路數據采集系統的設計
2017-10-16 09:27:26
22 FPGA和UART的MCU總線數據采集系統設計
2017-10-31 15:20:51
8 Lonworks是什么意思? Lonworks(LocalOperatingNetwork,局部操作網絡)是一個開放的、全分布式監控系統專用網絡平臺技術,以其獨特的特點已成為目前所有現有的現場總線
2017-11-16 14:58:36
36119 
應用于生產現場,在現場設備之間、現場設備和控制裝置之間實行雙向、串形、多結點的數字通信技術,在當今自動化領域中具有廣闊的發展前景。本文給出了一種基于CAN總線的數據采集與控制系統設計方案,實現對開關量的數據采集和對外部設備的
2017-11-30 10:43:37
2 隨著IT技術、電子技術、通信技術、以及自動控制技術的飛速發展,對工業現場數據的高速實時采集就成為電子產品和工業控制技術發展不可避免的一個環節。 本文針對高速實時多任務數據采集中的多任務實現算法以及
2017-11-30 16:29:56
1074 
目前,現場總線技術在數據采集與監控系統(SCADA)、工業控制、樓宇自動化、智能交通等領域得到了廣泛的應用。作為目前流行的現場總線技術之一Lonworks,以其突出的特點在國內的應用也越來越廣泛
2020-05-28 08:02:00
2669 
基于CAN總線的主要特點及發展趨勢,我校電液實驗室開放式電液伺服控制系統的改造中采用CAN總線作為現場總線標準,構建了一套基于CAN總線智能節點的現場總線控制系統。文中將詳細介紹智能數據采集模塊
2019-10-31 07:51:00
4041 
本文檔的主要內容詳細介紹的是智能化控制系統PLC的數據采集技術詳細資料說明包括了:1. 數據采集系統基本結構,2. 測量放大電路,3. 模擬多路轉換器MUX,4. 采樣保持電路,5. A/D轉換器及其接口,6. 數據采集系統設計
2019-05-23 08:00:00
4 本文詳細介紹了一種基于PCI 總線的高速數據采集系統的原理、組成和功能以及在Windows2000 環境下進行數據采集和存儲的方法。該系統用于某型號衛星下行的高速數據采集。系統設計與技術的通用性可應用于其它類似的高速數據采集與處理系統中。
2019-11-27 16:19:00
4 現場I/O模塊采用ADAM5000系列,它具有體積緊湊、符合現場總線的趨勢,其數據采集、模擬輸出以及數字I/O等3種不同的數據采集,使現場I/O設備容易構成計算機應用網絡。具有系統設計靈活、易于安裝和組網、適合于工業現場環境、支持的軟件豐富等特點。
2020-03-17 10:59:15
1562 
所謂的現場總線指的就是一種工業數據總線,這種數據總線實質上就是要將一些工業的智能化機械,智能化儀器設備之間的信號進行連接和傳遞,相當于一個搬運工,負責解決工業現場設備之間的數字通信和一些控制系統之間的信息交流。
2020-07-10 11:34:37
1324 當今現場總線技術的發展日新月異,應用領域也日趨廣泛,從家庭、能源、樓宇,到工業現場。為了適應市場的需要,國內外各大公司紛紛推出新一代的、各具特色的智能化流量儀表,其中結合現場總線技術的智能電磁流量計
2020-08-10 11:22:01
1921 
該系統主要由現場數據采集站、數據采集網絡、數據采集服務器、生產監控終端和生產管理計算機組成。其中數據采集服務器包括數據庫服務器和應用服務器,由應用服務器實現現場信息的上傳和下發功能。
2021-03-22 09:18:56
3294 本文詳細介紹了一種基于 PCI 總線的高速數據采集系統的原理、組成和功能以及在 Windows 2000 環境下進行數據采集和存儲的方法。該系統用于某型號衛星下行的高速數據采集。系統設計與技術的通用性可應用于其它類似的高速數據采集與處理系統中。
2021-04-14 14:29:30
13 采用USB和CAN總線的電力監控數據采集系統。
2021-04-20 09:43:00
14 、故障診斷等功能,為生產過程的智能化與高效化提供了有力支持。機床作為制造業的核心設備,其數據采集與監控對于提高生產效率、降低故障率具有重要意義。機床數據采集網關作為一種連接機床與監控系統的橋梁,在實現生產過程的智能化與高效化方面發揮著重要作用。
2023-12-19 10:37:31
1002 在工業互聯網和智能制造的大背景下,工業網關作為連接現場設備與上層管理系統的橋梁,其數據采集功能顯得尤為重要。工業網關通過采集、傳輸和分析來自生產線的數據,為企業的決策提供有力支持,推動了生產過程的自動化、智能化和柔性化。本文將詳細探討工業網關的數據采集方法,以期為讀者提供全面的理解和指導。
2024-06-19 15:52:43
1454 在當今數字化浪潮席卷全球的時代,制造業正經歷著深刻的變革。自動化設備數據采集系統作為這一變革浪潮中的關鍵技術,猶如制造業智能化的核心引擎,為企業的高效運營、精準決策以及持續創新提供了強大動力。 一
2025-01-15 14:29:01
1120 在快速發展的科技時代,數據采集與控制系統作為工業自動化領域的核心組成部分,智能化應用、廣泛融入,以極快的速度推動著制造業的轉型升級,提升生產效率,實現資源的優化配置,為企業的可持續發展奠定堅實
2025-02-13 15:37:00
977 智能工廠作為工業4.0的核心載體,其高效運行依賴于對生產全流程的精準感知與實時控制。數據采集物聯網系統(IIoT,工業物聯網)通過連接設備、傳感器和系統,實現數據的自動化、智能化采集與分析,是智能
2025-07-18 14:52:26
811
評論