采用SA7527和SA3078控制IC的雙管熒光燈電子鎮流器
相關推薦
熒光燈不容易啟動怎么回事
當熒光燈不容易啟動時,一般可以串聯一只2CP4型二極管。在熒光燈電路中串聯二極管后,合上開關,交流電流便通過開關、鎮流器、燈絲、二極管和啟輝器而形成回路。
2023-07-15 15:04:43
166
166
對熒光燈照明和電子鎮流器的封閉檢查資料下載
電子發燒友網為你提供對熒光燈照明和電子鎮流器的封閉檢查資料下載的電子資料下載,更有其他相關的電路圖、源代碼、課件教程、中文資料、英文資料、參考設計、用戶指南、解決方案等資料,希望可以幫助到廣大的電子工程師們。
2021-04-20 08:41:14
11
11熒光燈是什么燈_熒光燈原理_熒光燈是紫外線燈嗎
熒光燈也稱為日光燈,兩者是一種東西。傳統型熒光燈即低壓汞燈,是利用低氣壓的汞蒸氣在通電后釋放紫外線,從而使熒光粉發出可見光的原理發光,因此它屬于低氣壓弧光放電光源。
2020-04-08 09:47:52
17737
17737用于小型熒光燈的25W迷你型鎮流器的設計
直到今天,熒光燈仍是一種以最少電能消耗(流明/瓦)產生白光的最廉價方法。現在,小型熒光燈的每年銷售規模達數億只,而對熒光燈可靠性的要求也不斷提高。如今的照明系統需要鎮流器控制功能以驅動小型熒光燈,但這樣增加了成本和設計時間,而且這些鎮流器控制功能必須根據每種不同類型的熒光燈重新調節。
2019-02-16 11:00:06
3044
3044
熒光燈的危害有哪些_熒光燈有什么缺陷
熒光燈是一種冷光源,通過高電壓激發熒光物質發光,實際上熒光燈是在以高頻閃爍的,雖然人的視覺無法察覺,但實際對眼睛會造成損害的,易疲勞。
2018-01-17 10:31:58
48999
48999熒光燈電子鎮流器接法
在這個LED發展的年代,很多家庭依然使用鎮流器式的熒光燈,下面就介紹一下熒光燈電子鎮流器的接法。(這次介紹的是EB-C 228 TL5 II式一拖二鎮流器),自己動手也能接。為了安全起見,在熒光燈
2017-11-03 17:24:21
32933
32933基于IRS2168D的高功率熒光燈電子鎮流器設計
以IR2166和IRS2166D為基礎研發的IRS2168D,是一種先進的單片IC,它集PFC控制器與半橋控制/驅動器于同一芯片上的。采用IRS2168D設計熒光燈電子鎮流器,可以大幅度地減少元件數量,縮小PCB面積,降低系統成本,并具有高性能和高可靠等特點。
2014-07-13 14:21:28
1737
1737
低成本緊湊型熒光燈鎮流器設計
由于功率電平較低,集成緊湊型熒光燈(CFL)鎮流器通常不需要進行功率因數校正(PFC)。然而,隨著這款具有節能優勢的產品的市場需求日益旺盛,在不久的將來,功率因數校正將很有可能
2012-02-07 10:49:10
3209
3209SA7527實現LED照明驅動電路
本文利用SA7527芯片,設計了一款LED 日光燈 驅動電路,對電路各部分進行了分析。該電路的拓撲結構采用的是反激變換器,并采用可式精密并聯穩壓器TL431配合雙運算放大器LM358和光耦
2011-10-12 17:40:12
8249
8249
調光式熒光燈電子鎮流器的設計方案
提出了一種調光式熒光燈電子鎮流器的設計方法?;谠摲椒ㄔO計了一種能調光的高功率因數的電子鎮流器。采用熒光燈PSPICE模型做仿真驗證,結果表明方案和參數設計合理,調光性能
2011-09-23 15:58:51
53
53基于IR51H420厚膜集成電路的熒光燈電子鎮流器
IR51H420是IR公司在IR2151基礎上推出的結構更加緊湊的熒光燈電子鎮流器集成電路,它可和熒光燈一起直接插在60-100的白熾燈座上。文中給出了一個基于IR51H420的電子鎮流器實際電路及設計
2011-09-19 17:40:55
51
51熒光燈與電子鎮流器配套使用問題
電子鎮流器與 熒光燈 配套使用在國內市場已占有相當比重。尤其是與緊湊型熒光燈的配套比例更大,這是由于 電子鎮流器 比傳統的電感鎮流器耗電省、體積小、重量輕、燈易啟動等諸
2011-08-08 17:57:20
208
208熒光燈電子鎮流器整流效應的檢測問題
我們知道,整流效應是 熒光燈 正常壽命過程的必然結果。如果對這種現象不加限制任其發展,將會導致熒光燈管局部溫度過高,出現管壁炸裂或掉頭現象。因此要求鎮流器應具備足夠
2011-08-08 17:56:02
80
8025W的CFL熒光燈電子鎮流器電路
本文介紹采用自激振蕩電路的25W CFL熒光燈電子鎮流器電路,該電路為電壓饋電型半橋自激振蕩逆變電路,可用于220V交流市電供電的應用場合。
2011-08-01 14:09:25
2031
2031
高頻電子熒光燈的頻率匹配
熒光燈管與高頻電子鎮流器的非阻抗匹配性質,導致在負載燈管一端引入電感電容,使之與電子鎮流器與之阻抗匹配,由于電感電容的振蕩特性,使電子鎮流器與燈管、電容電感的阻抗
2011-05-23 18:36:34
84
84熒光燈電極壽命檢測
熒光燈電極的壽命是熒光燈質量的關鍵指標,因此在已經制定的各類國家、國際的啟動器、熒光燈和鎮流器的標準中,都在有關條款中有嚴格的規定以防止熒光燈電極的過早損耗。總的
2011-04-22 15:39:03
21
21電子高效節能熒光燈制作實例總匯
本書主要介紹了電子高效節能熒光燈照明燈具的原理、制作及維修使用資料,內容包括:電感鎮流器熒光燈,電感鎮流器熒光燈 電子節能熒光燈等的產品介紹 本書可供廣大用戶,維修
2011-04-01 15:27:34
164
164直流無頻閃熒光燈的研究
摘要:本文比較全面的闡述了有關直流無頻閃熒光燈的研究成果。通過使用直流熒光燈管和直流電子鎮流器,徹底消除了困繞直流熒光燈研究多年的難題。相對于普通的交流熒光燈,直流熒光燈具有無頻閃,無電磁輻射,壽命長,發光效率高的特點,是二十一世紀的綠色
2011-02-28 15:33:40
44
44熒光燈電子鎮流器的選擇因素
目前,室內照明光源以熒光燈為主;點燈有電感鎮流器和電子鎮流器兩種方式。 以下分別將高性能電子鎮流器與電感鎮流器及普通電子鎮流器使用情況做一全面比較:
2011-02-12 17:57:28
57
57基于智能控制器ICB1FL01G的熒光燈鎮流器電路
ICB1FL01G是一種智能PFC與鎮流器控制器組合IC。介紹了ICB1FL01G的特點、引腳功能以及基于ICB1FL01G的熒光燈電子鎮流器電路。
Abstract:
The IC
2010-12-08 17:41:41
19
19用KA7522D作為控制器的32W雙管熒光燈電子鎮流器電路
用KA7522D作為控制器的32W雙管熒光燈電子鎮流器電路
如圖所示為用KA7522D作為控制器的32W雙管熒光燈
2010-09-16 11:59:36
1504
1504
顯示屏用冷陰極熒光燈鎮流器驅動器UBA2070及其應用
在最近10年中,光電顯示技術迅猛發展。由于冷陰極熒光燈(CCFL)的亮度高,顯色性好,無閃爍,功耗低,故在各種顯示屏背景照明中仍占重要地位。與普通熒光燈電子鎮流器一
2010-08-19 12:47:40
40
40熒光燈鎮流器諧振環的頻域分析與設計
電子鎮流器與熒光燈的匹配是一個重要又復雜的問題。要使照明系統工作于最佳狀態,鎮流器諧振電路的設計至關重要。本文將對電子鎮流器諧振電路的設計進行理論分析,給出設
2010-08-04 11:20:37
24
24熒光燈電子鎮流器電路設計
L6585D是sT公司推出集PFC與半橋鎮流器控制器于一身的組合IC。文中介紹了L6585D的結構與特點.給出了基于L6585D的熒光燈電子鎮流器的電路原理與設計方法。關鍵詞:L5685D;PFC
2010-04-12 08:25:34
53
53燈的控制裝置第9部分:熒光燈用鎮流器的特殊要求
燈的控制裝置第9部分:熒光燈用鎮流器的特殊要求
前言
引言
7 范圍 1
2 規范性引用文件 1
3 定義 1
4 一般要求 1
5 試驗說明 2
2010-04-08 11:45:20
18
18具有功率因數校正、控制和保護功能的熒光燈鎮流器集成電路設計
具有功率因數校正、控制和保護功能的熒光燈鎮流器集成電路設計
熒光燈鎮流器設計正在向全電子化照明系統轉化。與五年前的器件相比,日益成熟的電子鎮流
2010-03-19 15:28:23
38
38電子鎮流器式熒光燈,電子鎮流器式熒光燈原理
電子鎮流器式熒光燈,電子鎮流器式熒光燈原理
電子鎮流器式熒光燈 熒光燈電子鎮流器問世于八十年代初,由荷蘭飛利浦公
2010-03-08 10:37:50
2322
2322熒光燈電子鎮流器方案詳解
熒光燈電子鎮流器方案詳解
摘要:提出了一種調光式熒光燈電子鎮流器的設計方法?;谠摲椒ㄔO計了一種能調光的高功率因數的電子鎮流器。
2010-03-08 10:16:00
1302
1302采用IR21592的調光電子鎮流器的原理與設計
采用IR21592的調光電子鎮流器的原理與設計
概述:介紹IR21592型調光鎮流器控制器的特點,詳細闡述基于IR21592的36 W熒光燈調
2010-03-07 13:08:32
2434
2434
SA7527中文資料,pdf (功率因子校正電路)
SA7527是一個簡單但是高效的功率因子校正電路。這個電路內置RC濾波器,并自帶電流感應電路,因此不需要外部RC濾波器。此外還有特殊的防擊穿電路。此電路適用于電子鎮流器和所
2010-01-07 17:16:40
150
150PFC控制器SA7527應用開發指南
PFC控制器SA7527應用開發指南:SA7527是一個簡單但是高效的功率因子校正電路。這個電路內置RC濾波器,并自帶電流感應電路,因此不需要外部RC濾波器。此外還有特殊的防擊穿電路。此
2010-01-07 17:16:09
378
378用FMS7401型功率控制器設計的數字調光熒光燈鎮流器
用FMS7401型功率控制器設計的數字調光熒光燈鎮流器
為了控制預熱時間、最低與最高驅動頻率及正常工作頻率等各種參數,模擬電子鎮流器的控制器外
2009-12-14 14:06:39
1254
1254
ICB1FL02G熒光燈鎮流器智能控制IC
ICB1FL02G是用于熒光燈鎮流器控制的芯片,包括非連續導通模式的功率因數校正(PFC)、燈管逆變器控制和高壓電平移位半橋驅動器。
2009-12-08 14:58:20
38
38熒光燈鎮流器智能控制IC
產品亮點 最少的外接器件,優化系統成本 采用無磁芯變壓器技術的600V半橋驅動器 最高的鎮流器可靠性,最低的散射參數 多項監控和保護
2009-11-03 16:48:29
26
26熒光燈用鎮流器的特殊要求
本 部 分 規定了用于10 00v 以下50H z或60 Hz交流電源的熒光燈用鎮流器的特殊要求(不包括電阻型鎮流器)。與其配套的熒光燈可以帶預熱陰極,也可以不帶預熱陰極,可以帶啟動器工
2009-10-31 10:20:23
15
15單級高功率因數調光式熒光燈電子鎮流器設計
單級高功率因數調光式熒光燈電子鎮流器設計
摘要:提出了一種調光式熒光燈電子鎮流器的設計方法。基于該方法設計了一種能調光的高功率因數的電子鎮流器。采用熒
2009-07-29 12:22:09
763
763電子鎮流器對熒光燈性能的影響
電子鎮流器對熒光燈性能的影響
Electronic Ballast(EB) Effect on Performances of Fluorescent Lamp(FL)
遼寧工學院陳永真曹永剛郭濤王智(錦州121001)摘要:提出
2009-07-11 09:23:25
1822
1822
用ML4835設計室內可調光小型熒光燈電子鎮流器
用ML4835設計室內可調光小型熒光燈電子鎮流器
本文詳敘了一種低損耗的建筑用可調光鎮流器的設計,它采用ML4835電子鎮流控
2009-07-10 09:57:01
1384
1384基于半橋驅動器IR2153的熒光燈電子鎮流器
基于半橋驅動器IR2153的熒光燈電子鎮流器
摘要:介紹了一個基于自激式半橋驅動器IR2135的熒光燈電子鎮流器電路,著重介紹了燈絲預熱和啟動保護等單元電路的構成
2009-07-04 11:21:24
5591
5591
SA7527功率因子校正控制器
SA7527是一個簡單但是高效的功率因子校正電路。這個電路內置R/C濾波器,并自帶電流感應電路,因此不需要外部R/C濾波器。此外還有特殊的防擊穿電路。此電路適用于電子
2009-06-29 14:39:13
56
56電子鎮流器式熒光燈電路圖-原理圖
電子鎮流器式熒光燈 熒光燈電子鎮流器問世于八十年代初,由荷蘭飛利浦公司首先研制成功。由于它與傳統的電感式鎮流器相比,特別在電性能
2009-05-12 23:54:43
5135
5135
管形熒光燈用交流電子鎮流器性能要求
本標準等同采用IEC 60929;2002(管形熒光燈用交流電子鎮流器性能要求》(英文版)。為了便于使用,本標準做了下列編輯性修改:a) 用小 數點“”代替作為小數點的逗號“,”;b)
2009-02-08 11:38:52
104
104熒光燈電子鎮流器常用燈絲預熱電路與特點
由于電子鎮流器具有節能,發光無頻閃和易于實現聯網控制的一系列優點,得到了廣泛的應用。熒光燈如采用適當的燈絲預熱方法,對提高熒光燈的壽命有非常重要的影響。該文主
2009-02-08 11:32:36
45
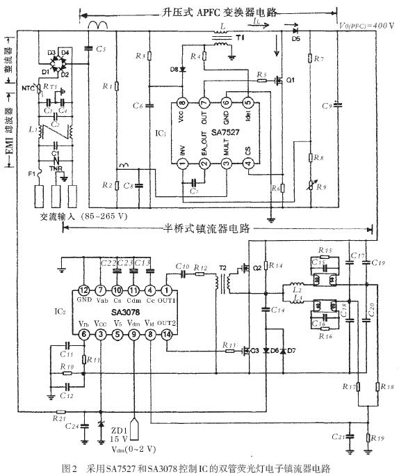
45一種高功率因數可調光雙管熒光燈電子鎮流器
該文介紹了采用杭州某公司功率因數控制器SA7527 和可調光半橋鎮流器控制器SA3078 的高性能雙管熒光燈(32W×2/36 W×2)電子鎮流器電路及其
2009-02-08 10:33:15
1817
1817
高性能雙管熒光燈電子鎮流器
直管形熒光燈仍然是目前工廠、大廈、商場、機關、學校和家庭照明的一種主要電光源。若采用電子鎮流器驅動兩支或兩支以上的燈管,每支燈管只需要在半橋逆變器輸出連接一路
2009-02-08 10:13:12
892
892
熒光燈電子鎮流器的電路分析
熒光燈電子鎮流器
摘要:介紹了一個基于自激式半橋驅動器IR2135的熒光燈電子鎮流器電路,著重介紹了燈絲預熱和啟動保護等單元電路的
2008-06-18 22:26:03
3056
3056
熒光燈電子鎮流器電路圖
熒光燈電子鎮流器電路圖:電子鎮流器具有體積小、重量輕、適應電源電壓</a>范圍寬、啟動快、不閃爍、效率高等優點,因而得到廣泛應用。市電經整流后
2008-01-31 09:19:47
2391
2391
具有功率因數校正、控制和保護功能的熒光燈鎮流器集成電路
熒光燈鎮流器設計正在向全電子化照明系統轉化。與五年前的器件相比,日益成熟的電子鎮流器技術正以更低的系統成本提供更好的性能。其中,IR2166和IR2167便是最新一代電子鎮
2006-03-11 12:56:45
686
686
電子發燒友App



















評論