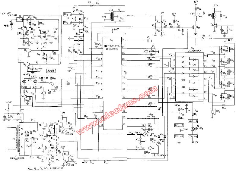
山特8200系列UPS的微處理器及逆變器驅動電路圖
- 山特8200(5064)
相關推薦
山特UPS電源逆變器設計方案山特UPS電源逆變器設計方案TM S320F280… 山特6~10kw逆變器方案,源碼,原理圖,PCB檔案
山特UPS電源逆變器設計方案山特UPS電源逆變器設計方案TM S320F280… 山特6~10kw逆變器方案,源碼,原理圖,PCB檔案,。
2021-11-08 14:06:02
110
110如何使用低成本FPGA擴展微處理器的連接?
在現代電子系統設計中,微處理器是不可缺少的一個部件。然而,隨著系統變得越來越復雜,擁有更廣泛的功能和用戶接口時,使用中檔微處理器的系統架構在連接一個或多個微處理器時面臨著三個關鍵的挑戰
2019-09-26 08:08:42
基于微處理器的Arduino全橋逆變器電路圖講解
一個簡單而有用的基于微處理器的Arduino全橋逆變器電路可以通過使用SPWM對Arduino板進行編程,并通過在H橋拓撲中集成一些MOSFET來構建。
2023-07-25 14:47:18
527
527
山特UPS電源注意事項
山特UPS電源安裝和使用過程中需要注意事項山特UPS電源連接方法和注意事項山特UPS電源的輸入插座要與市電連接,輸出插座可經接線板與計算機和顯示器連接。對于山特UPS電源,其輸出電源分兩部分:一部分
2021-11-08 17:51:04
15
15山特3kVA在線式UPS原理圖與故障維修
山特3kVA在線式UPS原理圖與故障維修
UPS的品牌較多,這里以山特(Santak)牌C系列3kVA在線式UPS為例敘述其工作原理及維修方法,供電源技術工程人員參考。性能參數與系統
2008-07-10 11:37:32
1791
1791微處理器及液晶顯示驅動電路
所示為一種微處理器及液晶顯示驅動電路。該電路主要是由微處理器80C48(VeCOMPUTER)、高位數碼管驅動電路ICM7211M、低位數碼管驅動電路ICM7211M、8位數碼管顯示器等部分構成的。
2019-12-22 10:59:51
2829
2829
如何制作一個基于Arduino的微處理器3相逆變器電路?
在這篇文章中,我們將學習如何制作一個簡單的基于Arduino的微處理器3相逆變器電路,該電路可以根據用戶對操作給定3相負載的偏好進行升級。
2023-07-24 17:43:38
445
445
山特UPS電源三種工作模式解析
此文來加強大家對UPS工作狀態的認識。1.山特UPS工作原理:UPS即不間斷電源,是一種含有儲能裝置,以整流器、逆變器為主要組成部分的穩壓穩頻的交流電源。主...
2021-11-08 19:21:01
14
14山特ups電源故障維修
UPS的品牌較多,這里以山特(Santak)牌C系列3kVA在線式UPS為例敘述其工作原理及維修方法,供電源技術工程人員參考。1 性能參數與系統框圖(1) 性能參數如表1所示
2010-10-16 19:03:14
59117
59117
微處理器基礎知識(pdf教程)
微處理器基礎知識-天津大學:微處理器基礎知識微處理器的選取原則單片機概述典型單片機系列概述PIC單片機簡介微處理器選取原則
2009-08-05 23:28:09
33
33什么是微處理器_微處理器具有什么功能
微處理器由一片或少數幾片大規模集成電路組成的中央處理器。這些電路執行控制部件和算術邏輯部件的功能。微處理器能完成取指令、執行指令,以及與外界存儲器和邏輯部件交換信息等操作,是微型計算機的運算控制部分。
2017-10-27 15:20:28
13913
13913汽車微處理器電源監控電路詳解—電路圖天天讀(299)
汽車控制單元的組成基本相似,一般由電壓調節器、I/O接口、微處理器、存儲器、輸入信號處理電路和輸出信號處理電路等組成。
2015-12-16 11:23:57
3889
3889微處理器體系結構
《微處理器體系結構》適合作為高等院校集成電路設計相關專業工程碩士的教材,并可以作為微處理器硬件與軟件設計相關專業高年級本科生和研究生的教材。
《微處理器體系結構》是一本系統介紹各種類型微處理器
2021-04-14 10:29:03
32
32acer TravelMate 8200系列 聲卡驅動下載
宏基TravelMate 8200系列 聲卡驅動驅動名稱: 聲卡驅動版本號: 5.10.0.5223操作系統: WinXP適用機型: TravelMate 8200系列備注說明: 解壓縮后,雙擊setup安裝
2009-02-28 21:04:07
10
10基于AM335x系列微處理器的典例參考設計TIDEP-0087的主要特性解析
本文介紹AM335x系列微處理器主要特性和功能框圖,參考設計TIDEP-0087主要特性和框圖,以及TMDSSK3358評估板電路圖和材料清單.
2018-06-18 03:18:00
22050
22050
什么是微處理器
什么是微處理器
CPU是Central Processing Unit(中央微處理器)的縮寫,它是計算機中最重要的一個部分,由運算器 和控制器組成。如果把計算機比作
2009-06-17 07:32:36
995
995
電子發燒友App



























評論