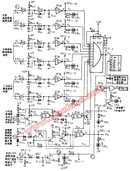
力博特7400 UPS逆變器的啟動關機邏輯控制電路
相關推薦
基于TMS320F28335的大功率逆變器控制電路研究
隨著微電子技術和貼片技術的發展,逆變器控制電路的體積不斷縮小,密度不斷增加,功能越來越強大,如何使控制電路在這種高密度低體積情況下穩定運行成了設計控制電路的首要任務。
2023-10-19 14:28:06
0
0控制UPS逆變器的三種方法,響應速度快
ups是指不間斷電源,包含能量存儲設備。主要用于為一些對電力穩定性要求較高的設備提供不間斷電源。控制UPS逆變器的三種方法當市電輸入正常時,ups將向負載提供市電電壓調節器。此時,ups是一個交流電
2023-05-11 11:23:59
359
359
三相電機控制電路的工作原理、功能特點和接線方法
三相電機控制電路是一種用于控制三相電機啟動、停止和轉向的電氣裝置,根據對三相電機的控制目的和功能要求,可以分成直接啟動控制電路、降壓啟動控制電路、星型-三角啟動控制電路、軟啟動控制電路等多種類型。
2023-03-27 18:21:57
3262
3262控制電路和保護電路的組成
給異步電動機供屯(電壓、頻率可調)的主電路提供控制信號的回路,稱為控制電路。如下圖所示,控制電路由以下電路組成,順率、電壓的“運算電路”,主電路的“電壓/電流檢測電路”,電動機的“速度檢測電路”,將運算電路的控制信號進行放大的“驅動電路”,以及逆變器和電動機的“保護電路”。
2022-11-28 15:49:30
1094
1094現代UPS電源及電路圖集
; 3.9 逆變器功放電路 3.10 UPS的手動開機/關機和自動關機控制電路 
2008-07-10 11:32:42
計算機什么ups又稱在線式ups,在線式ups電源的介紹
達到了輸出電壓零中斷的切換目標。在線式UPS特點:⒈一般采用20kHz以上的PWM技術,其噪聲較小,約為50dB。⒉在線式UPS電源的控制電路中,采用輸入變壓器、輸出變壓器及光電耦合器件等將“強電”驅動...
2021-11-09 11:06:05
13
13UPS電源5個組成部分
山特UPS電源,主要由充電器(CHARGER)、逆變器(INVERTER)、靜態開關(SYATIC SWITCH)、蓄電池(BATTERY)4大部分和控制部分組成。 山特UPS電源各部分功能
2021-11-08 18:51:05
26
26山特UPS電源逆變器設計方案山特UPS電源逆變器設計方案TM S320F280… 山特6~10kw逆變器方案,源碼,原理圖,PCB檔案
山特UPS電源逆變器設計方案山特UPS電源逆變器設計方案TM S320F280… 山特6~10kw逆變器方案,源碼,原理圖,PCB檔案,。
2021-11-08 14:06:02
110
11060v轉220v逆變器的電路制作(六款逆變器電路設計原理圖詳解)
本文主要介紹了60v轉220v逆變器的電路制作(幾款逆變器電路設計原理圖)。逆變器由逆變電路、邏輯控制電路、濾波電路三大部分組成,主要包括輸入接口、電壓啟動回路、MOS開關管、PWM控制器、直流
2018-01-23 09:21:29
71023
71023
基于UPS逆變器并聯控制技術的研究
文章通過工作實踐并結合相關資料分析了最新無互聯線逆變器并聯控制基本原理,相比較傳統的集中控制、主從控制、分散邏輯控制,總結了各種逆變器并聯控制技術的優缺點,結合模塊化UPS逆變器并聯控制技術
2014-02-13 10:39:46
2593
2593
UPS逆變器數字化控制技術
介紹了UPS 逆變電源 實現由模擬控制向數字化控制方向轉變的重要意義, 分析了目前處于實用階段或研究階段的各種 UPS 逆變器數字化控制方法, 指出今后UPS 逆變器控制策略的發展方向。
2011-06-01 15:34:49
82
82力搏特7400靜態開關邏輯控制電路
UPS電源主要由UPS主機及UPS電池組成,分為在線式、后備式及在線互動式幾種,根據頻率分高頻機和工頻機,它在機器有電工作時,就將市電交流電整流.....
2011-06-01 12:00:44
1753
1753
UPS逆變器控制方法比較分析
UPS逆變器控制方法比較分析UPS被廣泛地應用在保護敏感負載,如PC機,服務器,醫療設備,通訊系統的電源故障或者電源的干擾,為這些重要負載提供了高質量高可靠性的純凈
2010-06-03 15:30:55
88
88可編程邏輯器件在通用逆變器控制電路中的應用
摘要:隨著對通用逆變器要求的不斷提高,作為控制電路核心的微處理器的資源有時已不能很好地滿足控制電路設計的需要.結合分析采用傳統數字電路進行擴展所存在的缺點,論
2010-05-04 09:21:11
18
18UPS的雙閉球反饋控制電路
為了提高輸出電壓的穩壓精度、改善輸出波形,UPS往往采用閉環電壓控制電路和閉環波形控制電路。具有這種雙閉環調節系統的UPS反饋控制電路如圖所示。
2009-07-25 10:30:29
583
583
電子發燒友App



















































評論