資料介紹

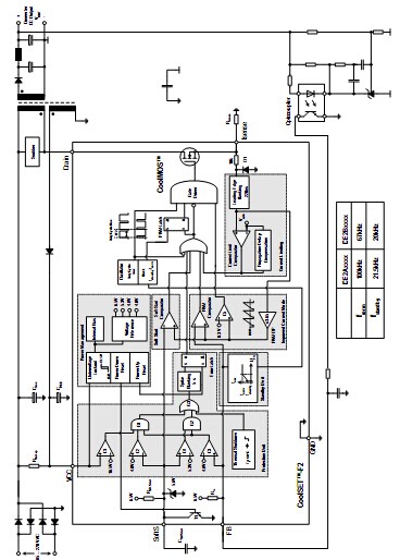
The second generation CoolSET?-F2 provides several special enhancements to satisfy the needs for low power standby and protection features。 In standby mode frequency reduction is used to lower the power consumption and support a stable output voltage in this mode。The frequency reduction is limited to 20kHz/21.5 kHz to avoid audible noise。 In case of failure modes like open loop, overvoltage or overload due to short circuit the device switches in Auto Restart Mode which is controlled by the internal protection unit。By means of the internal precise peak current limitation, the dimension of the transformer and the secondary diode can be sized lower which leads to more cost effective for the overall system。
下載該資料的人也在下載
下載該資料的人還在閱讀
更多 >
- LMZ1xxx和LMZ2xxx電源模塊設計摘要
- 開關電源PWM 五種反饋控制模式
- 開關電源CCM和DCM工作模式
- 開關電源醫療認證綜述 21次下載
- 控制單芯片端和推挽開關模式電源開關電源
- 臺信大方型接近開關ICE2040-FRKG 1次下載
- 臺信大方型接近開關ICE2040-BBOA 2次下載
- 臺信大方型接近開關ICE2040-ABOA 8次下載
- 基于AN-EVALF2SHV_ICE2B265_1直流到直流多輸出電源的參考設計
- 開關模式電源電流檢測基本知識
- 基于ICE2PCS01的有源功率因素校正的電路設計 43次下載
- 英飛凌汽車HID前燈鎮流器及PFC控制解決方案分析 4次下載
- 英飛凌高效開關電源解決方案 0次下載
- ICE2xXXX系列晶體管在分離式開關電源中的應用 0次下載
- 電源集成塊ICE2A165解析及應用電路 118次下載
- Pico2-ICE FPGA開發板的應用示例 818次閱讀
- 什么是開關模式電源(SMPS)?它有哪些作用? 6.3k次閱讀
- 為什么非常穩定的開關模式電源仍可能由于負電阻而產生振蕩 1.2k次閱讀
- 開關模式電源電路板布局的黃金法則 1k次閱讀
- 開關模式電源在為負載提供服務時為電池充電 1.2k次閱讀
- 加快開關模式電源EMI濾波器的設計 2k次閱讀
- 開關電源的工作模式和原理 4.4k次閱讀
- 開關模式電源電路圖合集 6.6k次閱讀
- 準同步PWM控制器ICE2QS03G的特點性能及典型應用電路 9.5k次閱讀
- 準諧振PWM控制器ICE2QS03G的性能特點及應用 6.8k次閱讀
- 干貨:開關電源的工作原理和工作模式 6.1k次閱讀
- EVAL-2QR0665G-28W16V開關電源功能分析 7.2k次閱讀
- 微雪電子Atmel-ICE-B2 Atmel-ICEAVR仿真器簡介 3.4k次閱讀
- 開關模式電源電流檢測信號的詳細資料介紹 8.2k次閱讀
- 如何轉換開關電源系統電壓模式與電流模式? 3.3k次閱讀
下載排行
本周
- 1TC358743XBG評估板參考手冊
- 1.36 MB | 330次下載 | 免費
- 2開關電源基礎知識
- 5.73 MB | 6次下載 | 免費
- 3100W短波放大電路圖
- 0.05 MB | 4次下載 | 3 積分
- 4嵌入式linux-聊天程序設計
- 0.60 MB | 3次下載 | 免費
- 5基于FPGA的光纖通信系統的設計與實現
- 0.61 MB | 2次下載 | 免費
- 651單片機窗簾控制器仿真程序
- 1.93 MB | 2次下載 | 免費
- 751單片機大棚環境控制器仿真程序
- 1.10 MB | 2次下載 | 免費
- 8基于51單片機的RGB調色燈程序仿真
- 0.86 MB | 2次下載 | 免費
本月
- 1OrCAD10.5下載OrCAD10.5中文版軟件
- 0.00 MB | 234315次下載 | 免費
- 2555集成電路應用800例(新編版)
- 0.00 MB | 33564次下載 | 免費
- 3接口電路圖大全
- 未知 | 30323次下載 | 免費
- 4開關電源設計實例指南
- 未知 | 21549次下載 | 免費
- 5電氣工程師手冊免費下載(新編第二版pdf電子書)
- 0.00 MB | 15349次下載 | 免費
- 6數字電路基礎pdf(下載)
- 未知 | 13750次下載 | 免費
- 7電子制作實例集錦 下載
- 未知 | 8113次下載 | 免費
- 8《LED驅動電路設計》 溫德爾著
- 0.00 MB | 6653次下載 | 免費
總榜
- 1matlab軟件下載入口
- 未知 | 935054次下載 | 免費
- 2protel99se軟件下載(可英文版轉中文版)
- 78.1 MB | 537796次下載 | 免費
- 3MATLAB 7.1 下載 (含軟件介紹)
- 未知 | 420026次下載 | 免費
- 4OrCAD10.5下載OrCAD10.5中文版軟件
- 0.00 MB | 234315次下載 | 免費
- 5Altium DXP2002下載入口
- 未知 | 233046次下載 | 免費
- 6電路仿真軟件multisim 10.0免費下載
- 340992 | 191185次下載 | 免費
- 7十天學會AVR單片機與C語言視頻教程 下載
- 158M | 183279次下載 | 免費
- 8proe5.0野火版下載(中文版免費下載)
- 未知 | 138040次下載 | 免費
電子發燒友App





創作
發文章
發帖
提問
發資料
發視頻
上傳資料賺積分
評論