1 引言
隨著汽車普及率的逐年增加,消費者在將汽車作為交通運輸工具的同時,對汽車配置有了更多的要求,尤其是對舒適性和安全性提出了更高的要求。對于很多司機尤其是新手來說,倒車無疑是件非常頭痛的事,倒車雷達正好可以幫司機解決這個難題,因此越來越多的商家進入了這個市場。從目前市場情況看,國內倒車雷達生產廠家都是使用單片機配合外圍運放、鎖相環電路完成超聲波測距并提供報警的工作,缺乏單芯片方案,而使用單片機方案要求生產廠家必須具備開發軟硬件的能力,而且利用軟件控制存在不穩定的因素。如果能用專用芯片實現整個系統功能,對倒車雷達生產商來說,不僅能降低開發和生產成本,對整機的可靠性也有很大提高。
2 系統概述
2.1 系統框圖

圖1 芯片管腳圖示

圖2 系統內部結構框圖
2.2 功能概述
系統提供4個超聲波探頭接口,接收到反射回來的信號后,根據發送和接收的時間差判斷障礙物距離的危險等級,輸出相應報警信號。報警信號編碼后采用雙線差分方式輸出,輸出信號的內容包括:各探頭檢測到的障礙物距離的危險等級、最近障礙物的方位、最近障礙物的距離值和附加消息。
2.3 接口協議
報警信號采用雙線差分串行輸出的方式,目的是提高傳輸信號在長距離和強干擾環境下的傳輸正確性。雙線差分傳輸具體格式是:ALOUTP輸出實際需要的信號,ALOUTN 則輸出與ALOUTP相反的電平信號。
2.3.1 倒車模式
報警信號以數據包格式輸出,每個數據包包括3個字節,格式和內容如下所述:
第一個字節:第一字節高四位為起始標志,用于說明此報警數據是倒車模式下的數據還是扒車模式下的數據,倒車模式是“0101”,扒車模式是“1010”。倒車模式下數據格式如圖3所示,第一字節的低2兩位用于輸出附加消息,輸出數據指示1或4探頭是否進入環境適應模式,S1表示探頭1是否進入環境適應模式,“1”表示進入環境適應模式,“0”表示正常倒車模式;S4表示探頭2是否進入環境適應模式,“1”表示進入環境適應模式,“0”表示正常倒車模式。低4位SX1和低3位SX0表示最近障礙物的方位,00表示是探頭1方向,01表示是探頭2方向,10表示是探頭3方向,11表示是探頭4方向。

圖3 第一字節數據格式
第二個字節:如圖4所示,SXA和SXB表示X號探頭檢測到的障礙物的危險等級,危險等級分為安全、警告、危險、停車4級,分別用00、01、10、11表示。例如第二字節數據為“10010000”,表示第一個探頭檢測到危險狀態,第二個探頭檢測到警告狀態,第三和第四個探頭為安全狀態。

圖4 第二字節數據格式
第三字節:第三字節輸出最近障礙物的距離值,數據格式如圖5所示,DA1DA0表示最近障礙物距離的第一位數據,按BCD編碼,最大值為3;DB0~DB3表示最近障礙物距離的第二位數據,按BCD編碼,最大值為9;DC0表示第三位數據,0表示0,1表示5。

圖5 第三字節數據格式
[page_break]
2.3.2 防扒車模式
防扒車模式下,輸出的數據包也包括3個字節,但只有第一個字節為有效數據,后兩個字節無效,固定為‘0x00’。該數據包第一字節的數據格式如圖6所示,高四位為起始標志,用于說明此報警數據是倒車模式下的數據還是防扒車模式下的數據,倒車模式是“0101”,扒車模式是“1010”。低四位指示方位,SX位為1則表示X號探頭檢測到近距離障礙物,SX為0則表示沒有檢測到近距離障礙物。

圖6 防扒車模式報警數據格式
3 智能化原理
3.1 防聲波衍射處理
由于聲波傳輸的特性,聲波會出現未經實際物體反射就直接回到探頭被檢測到,造成處理器認為是實際發射接收到的信號,直接導致誤報。但聲波衍射的干擾強度很難達到實際物體有效反射的超聲波強度,所以可通過識別來判斷。硬件一旦判定收到的超聲波信號是聲波衍射返回的信號,則自動忽略該結果,芯片繼續等待在固定時間△T內是否有有效反射波,有則進行處理,沒有則轉入下一探頭的驅動。
3.2 智能識別處理
由于地面上的小物體,比如磚塊,石塊,水果都會造成超聲波的反射,并讓探頭檢測到。而這些物體并不影響車輛的倒車操作,所以實際上是一種誤報現象。所以硬件要對這種情況進行處理,提高報警的準確性。
智能識別處理可以通過不同大小的物體反射的超聲波幅度不同來判斷。所以一旦確定多大的物體不會影響倒車的操作,就可以明確地測量該物體在不同距離上的超聲波發生的幅度和轉換后的電平大小,處理器可根據實驗測試出來的結果在模擬或數字部分進行處理,根據要求忽略掉相應的接收信號。與防聲波衍射處理一樣,硬件忽略掉無效反射波后要繼續等待在固定時間△T內是否有有效反射波,有則進行處理,沒有則轉入下一探頭的驅動。
3.3 環境適應處理
車輛在倒車進入一個巷道或兩邊已經停靠了其它車輛的停車場的車位時都會存在環境影響造成的誤報警。因為在這種情況下,絕大部分倒車的過程中,最近的檢測距離和方位都在車身的兩邊(墻面或兩邊車輛的超聲波反射),但駕駛員可以通過兩邊的反光鏡掌握兩邊的車距,駕駛員關心的是車身后面的障礙物體。所以處理器在這種環境下應該能識別并適應。
解決辦法是對車身兩邊的物體發射的距離做記錄和統計,當發現探頭一和探頭四,或者其中的一個在6個報警周期內檢測到的距離都比較恒定,或變化范圍很小,則認為處于上述環境中。于是,處理器在送出相應的消息后就不再輸出相應探頭的探測信息,只對探頭二和探頭三的檢測信息作出響應。但是如果探頭一和探頭四的檢測距離變化范圍超過設定值(±△L米),則馬上回到正常檢測的狀態機模式,兩側或某一邊的距離再次恒定后又轉到環境適應模式下。同時,環境適應模式也有一個極限設定值(0.5米),即恒定距離小于0.5米時,處理器還是回到正常檢測模式,對該探頭的檢測信息輸出報警信息。
3.4 防地面固定聲波反射處理
由于各種車輛的底盤和后保險杠的高度及斜度不一樣,再加上各倒車雷達廠家所采用的探頭種類不一樣,比如單角度的探頭發射范圍廣,所以很可能存在超聲波發射到地面后的固定反射情況,處理器必須適應并識別出是一個固定距離的干擾。
處理方法是:每次開機運行后,檢測到四個探頭在6個報警周期內收到的障礙物距離值都是一致且恒定的(誤差允許在±△L米內),則將此距離當成是地面反射干擾,以后不再響應處理,而是在設定的周期時間內等待其它有效的超聲波發射信號。
4 硬件實現
4.1 代碼實現
//+FHDR===============================================================
// Copyright 2005,UESTC,All rights reserved.
// File Name : alarm_deal.v
// Author :Yangbing
// Release History
// Version Date Author Description
// 1.0 20/05/2005 initial version
//-FHDR==============================================================
`timescale 1ns/10ps
module alarm_deal (clk,resetn,mode,dm,pulse_out,pulse_back,ch_sel,mux_enable,
alarm_out,alarm_outn);
//====================================================================
// input ports declaration
//====================================================================
……………………………………………………………………………………………………
…………………………………………………………………………………………………..
//======================end module ====================================
endmodule
//================= alarm_deal verilog file end =============================
4.2 電路結構
本系統采用0.5u mix signal 工藝,在成都國騰微電子有限公司的工作平臺的支持下,已經成功完成綜合驗證,版圖設計工作。綜合電路結構如圖7:

圖7 電路結構

圖8 版圖結構
4.3 版圖設計
該版圖設計采用0.5u mix signal 工藝,版圖結構如圖8所示。
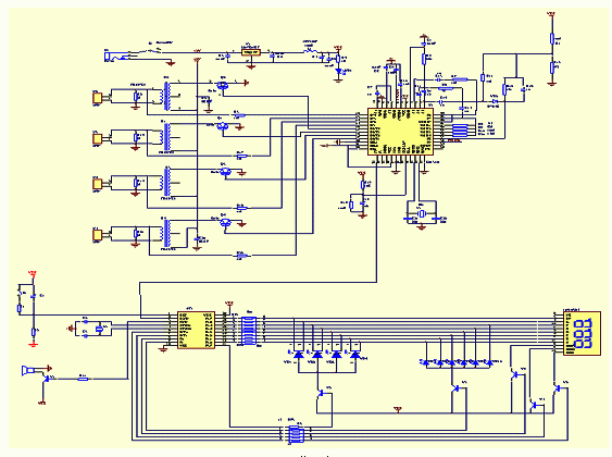
5 應用系統設計

圖9 典型應用
此典型應用系統(圖9)的核心:就是以倒車雷達主控芯片GM3101為核心的數據處理部分和以單片機為核心的數據顯示部分組成。經測試完全達到了市場上高端產品的要求,甚至在顯示距離,顯示靈敏度,系統工作穩定性等方面都有所提高。相比較市場上其他倒車雷達系統主要有以下優點:
(1)抗干擾性和可靠性
傳統的倒車雷達使用的是基于RAM和ROM結構的單片機,所以在抗電磁干擾性和穩定上無法和純硬件的ASIC芯片相比較,GM系列倒車雷達專用芯片工作可靠穩定,不會出現死機現象。
(2)設計簡單,生產簡便
傳統的倒車雷達設計復雜,器件繁多,出現故障的可能性也更大,且需要編程,生產調試麻煩,分離元件性能差異大,整體指標不容易統一。而GM系列倒車雷達產品設計應用非常簡單,只需要外接探頭和少量的電阻電容即可工作,減少了開發量,同時顯著減少主機的面積和尺寸,可做到傳統倒車雷達大小的1/3。
(3)汽車級的工作指標
GM系列倒車雷達產品是全汽車級工作環境指標設計,遠遠高于民用等級的單片機,完全滿足和適應汽車內的工作條件。
(4)數據通訊的可靠性
GM3101與其配套的顯示部分之間采用差分通訊方式,具有極強的抗干擾性和可靠性,是單片機無法實現的。
(5)防止聲波衍射干擾
傳統的倒車雷達由于單片機的處理能力,很難處理聲波衍射對檢測的干擾,GM系列倒車雷達產品能完全的濾除聲波衍射的干擾,讓檢測更可靠更準確。
(6)智能識別功能
由于任何物體都會對聲波進行反射,所以倒車雷達能檢測到物體的距離。而在實際倒車應用中,很多過小的物體,如水果、壘球等都會讓倒車雷達認為是障礙物而報警,但是這些過小的物體并不影響車輛的正常倒車,所以GM3101芯片能智能的識別物體的物質屬性和大小,然后再進行報警處理,避免了上述非必要的報警。
(7)防止固定地面反射干擾
各種車輛的尾部保險杠的高度和尾部垂直面的傾斜度都不一致,有時會出現探頭的安裝角度過低,聲波在不平整的地面形成反射,讓倒車雷達誤認為是有效障礙物而報警。而GM3101芯片能自動的適應地面造成的反射干擾而避免了誤報警。
(8) 環境智能適應
車輛在進入巷道或兩邊已經停放有車輛的車位倒車時,由于車輛的兩邊距離在比較長的時間內都小于車后的距離,所以普通的倒車雷達只能響應最近距離的檢測,而讓駕駛者無法了解車后的真實情況。GM3101能智能的判斷停車區域的情況,讓倒車雷達集中重點的處理駕駛者更關心的車后情況,而且又不會忽略兩邊的檢測。
6 總結
通過電子倒車雷達系統的詳細分析和設計,成功實現了聲波衍射的干擾,環境自適應,智能化識別處理,以及對應于不同應用情況的報警輸出選擇。該系統能有效地防止軟件控制存在不穩定的因素,不僅能降低倒車雷達生產的開發和生產成本,對整機的可靠性也有了很大提高。





















用戶評論
共 條評論