平常我們用的比較多的是用TPS5430產生正電壓,其高達3A的大電流能力還是很給力,但是,你所不曉得的是它還可以用來產生負電壓哦。TPS5430是TI公司最新推出的一款性能優越的DC /DC開關電源轉換芯片。我們對其進行了開發, 并將其應用到了TJ - 2型體積式應變儀的數據采集系統。
tps5430輸出負電壓分析
降壓技術寬范圍的輸入電壓(SWIFT,集成FET轉換器)DC/DC轉換器是經常被用來作為STEP-DOWN 降壓轉換器(當輸出電壓是個比輸入電壓小的正電壓時)。配置TPS5430/20/10是能夠利用反向升降壓技術,輸出負電壓的。(圖片和計算公式出自于datasheet )

當FET開關處于導通狀態時,通過電感的電壓是Vin-Vout , 而通過電感的電流則以一個速率

增加。當FET開關關閉時,電感電壓發送逆變(反轉)來保持電感電流的持續流動。假定通過二極管的電壓是比較小的。那么電感電流則會以一個緩慢的速率
慢慢下降。在FET的開關閉合中,穩定狀態下的負載電流是經常被電感所牽制;平均電感電流是等于負載電流的。電感的紋波電流峰峰值是:

D是占空比(負載周期)D=Vout/Vin
Fsw 是開關頻率,L是電感值
反轉升降壓技術與上個電路圖相比,電感與肖特基二極管的位置互換了,電容的極性也反轉了。

由于輸出電壓是負電壓。
當FET開關處于導通狀態時,通過電感的電壓是輸入電壓Vin,而此時電流是以這個速率

緩緩上升。這時候(FET導通)負載的所有電流是通過輸出的電容存儲的電荷來提供的。
當FET開關處于關閉狀態時,電感反轉極性來保持電流繼續流動。通過電感的電壓是接近于輸出電壓的;
電感上的電流以

這樣的速率下降。在關閉時間里,電感同時提供給負載和電容在導通時間里所失去的電流。
所以,平均的電感電流是
II= Iout/(1-D);電感的紋波電流峰峰值是:

D是占空比(負載周期)大概等于D=Vout/(Vout-Vin)
tps5430輸出負電壓計算
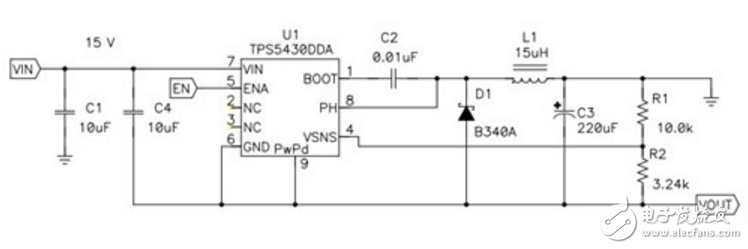
TPS5430降壓輸出-5V的應用電路

負載周期D = Vout/(Vout - Vin ) =-5/(-5-15)= 0.25
平均電感電流是 II avg = I/(1-D) ;TPS5430最大的輸出電流是3A,所以這里這個電路最大輸出的DC負載電流是

同樣的,基于好幾個原因(這個不詳)電感的紋波電流是應該保持比較小的。峰值電感電流應該是平均電感電流加上峰峰值的一半(這里不懂,為什么要加上平均電感電流?)。由于TPS5430的內部規定最大峰值電流不得超過4A,所以這個峰值也必須在4A以下。 電感交流紋波電流也決定了必須低于直流輸出電流,當電路處于斷續模式時。(什么是斷續模式?)
最小的電感值是
Lmin = (Vin )/(FSW )= (15)/(500000) = 15uH
輸出電容的值是根據輸出電感的值而確定的。LC諧振頻率是要盡可能地接近于內部補償頻率的。等于或略大于Fz2 頻率。在這里,電容是40m? ESR 的220uF 高分子電容
電子發燒友App














評論