- 圍線路圖(7140)
- 圖文TA(5663)
相關推薦
RDNA 3和Navi 3X蓄勢待發,AMD的GPU線路圖已公布
按照傳統,AMD今天向金融分析師公布了GPU發展的線路圖。線路圖中不僅包含了去年夏天發布的Radeon RX 5700 XT RDNA,范圍還涵蓋了RDNA 2以及RDNA 3。
2020-03-08 20:01:37
3022
3022AMD公布GPU發展的線路圖
按照傳統,AMD今天向金融分析師公布了GPU發展的線路圖。線路圖中不僅包含了去年夏天發布的Radeon RX 5700 XT RDNA,范圍還涵蓋了RDNA 2以及RDNA 3。
2020-03-06 14:59:31
2464
2464如何看懂電氣線路圖
電氣線路圖是電氣技術工程人員相互交流的一種“語言”,這些語言是由許多“符號”組成。我們要讀懂這種語言就要認識這種“符號”,這些符號就是我們所稱為的電氣符號,它是由文字符號、圖像符號、回路標號和項目代號構成。
2019-11-05 17:15:01
14472
14472
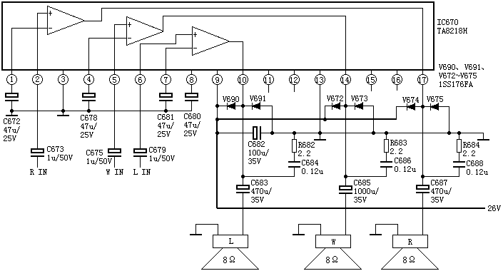
TA8218AH pdf,datasheet三聲道音頻功率放
TA8218AH pdf,datasheet三聲道音頻功率放大器
TA8218AH是東芝公司生產的三聲道音頻功率放大器可用于彩電的左右聲道及重低音三路音頻信號的放大處理具有低噪聲高輸
2010-03-31 14:50:41
82
82如何繪制電氣控制線路圖詳細教程
如何繪制電氣控制線路圖詳細教程
繪制電氣控制線路圖是積累工作資料的一項重要內容,可采用輔助繪圖軟件提高工作效率。AutoCAD2006是常
2009-11-26 09:17:29
46815
46815
電子發燒友App

























評論