
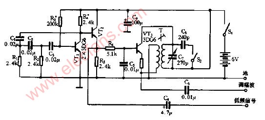
調試用多種信號發生器電路圖
電子發燒友App
硬聲App
完善資料讓更多小伙伴認識你,還能領取20積分哦,立即完善>
電子發燒友網>電子技術應用>電路原理圖>放大電路圖>三極管放大器>調試用多種信號發生器電路圖
相關推薦
15006

195
評論