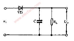
大信號二極管檢波電路圖
- 二極管(159226)
相關推薦
二極管的特性你真的掌握了嗎?7 種應用電路全面分析二極管
,起到高頻濾波的作用。如圖9-51所示是檢波二極管導通后的三種信號電流回路示意圖。負載電阻構成直流電流回路,耦合電容取出音頻信號。圖9-51 檢波二極管導通后三種信號電流回路示意圖4.故障檢測方法及電路
2019-08-17 04:30:00
淺談檢波二極管原理和選用技巧
如何選用檢波二極管 檢波二極管在電子電路中用來把調制在高頻電磁波上的低頻信號(如音頻信號)檢出來。一般高頻檢波電路選用鍺點接觸型檢波二極管。它的結電容小,反向電流小,工作頻率高。選用檢波二極管時,要選擇工作頻率滿足要求,結電容小,反向電流小的二極管均可,但主要考慮的是工作頻率。
2018-06-13 08:57:00
23105
23105二極管檢波電路工作原理及故障處理
一般檢波電路中不給檢波二極管加入直流電壓,但在一些小信號檢波電路中,由于調幅信號的幅度比較小,不足以使檢波二極管導通,所以給檢波二極管加入較小的正向直流偏置電壓,如圖所示,使檢波二極管處于微導通狀態。
2018-03-23 16:45:00
91870
91870
二極管檢波原理是什么?
二極管檢波原理是什么?
檢波(detection) 廣義的檢波通常稱為解調,是調制的逆過程,即從已調波提取調制信號的過程。對調幅波
2010-02-27 09:31:13
26626
26626檢波二極管的選用及代換
檢波二極管一般可選用點接觸型鍺二極管,例如2AP系列等。選用時,應根據電路的具體要求來選擇工作頻率高、反向電流小、正向電流足夠大的檢波二極管。因檢波是對高頻波整流,二極管的結電容一定要小, 所以選用點接觸二極管。能用于高頻檢波的二極管大多能用于限幅、箝位、開關和調制電路。
2019-08-19 15:13:30
7701
7701二極管的基本應用:檢波電路
二極管的單向導電性使其在整流、限幅、鉗位、開關、檢波和續流等電路中有著廣泛的應用。為了讓小伙伴們更好的理解和掌握二極管的工作原理,我們將在后續推出系列專題分別討論二極管在這些功能電路中的應用情況。本期為檢波電路篇。
2023-05-26 16:24:22
1499
1499
大信號檢波器電路--串聯型二極管峰值包絡檢波器
大信號檢波器電路--串聯型二極管峰值包絡檢波器
大信號(0.5V以上)檢波器,也稱包絡檢波器。
1、串聯型二極管峰值包絡檢波
2010-05-25 18:15:49
9693
9693
檢波二極管應用電路
檢波二極管應用電路
1.收音機檢波電路收音機檢披電路的任務是將465kHz 中頻調幅信號還原為音頻信號。圖14-7 為兩種常用的收音機檢披電路,中頻電路采用PNP 型半
2009-08-22 15:35:49
3643
3643檢波二極管2AP5
檢波二極管2AP5二極管有很多類型,其中點接觸二極管工作電流小、極間電容很小,適于作高頻檢波及小電流工作使用;面接觸二極管可承受較大電流,但極間電容大
2009-11-11 09:57:02
30
30檢波二極管的結構及特性
檢波二極管的結構及特性
把PN 結的P 區和N 區各接一條引線,再封裝起來就為一個半導體二極管。與P 區相連的引線為正極,與N 區相連的引線為負極。
檢波二極管是
2009-08-22 15:32:52
1878
1878限幅二極管電路原理圖解
用來做限幅用的二極管稱為限幅二極管。所謂限幅,就是將信號的幅值限制在所需要的范圍之內。由于通常所需要限幅的電路多為高頻脈沖電路、高頻載波電路、中高頻信號放大電路、高頻調制電路等,故要求限幅二極管具有
2023-05-24 17:11:23
682
682
肖特基二極管的作用
肖特基二極管是一種低功耗、超高速半導體器件,廣泛應用于開關電源、變頻器、驅動器等電路,作高頻、低壓、大電流整流二極管、續流二極管、保護二極管使用,或在微波通信等電路中作整流二極管、小信號檢波二極管使用。常見應用: 電源,充電器,適配器。汽車電子。小家電等。
2018-11-06 17:21:36
83612
83612鍺檢波二極管的特性參數
鍺檢波二極管的特性參數
①正向電壓降VF: 檢波二極管通過額定正向電流時,在極間產生的電壓降。②額定正向電流lF: 在規定的使用條件下,允許通過的最大工作電
2009-08-22 15:34:07
2103
2103二極管的類型
二極管的類型 二極管種類有很多,按照所用的半導體材料,可分為鍺二極管(Ge管)和硅二極管(Si管)。根據其不同用途,可分為檢波二極管、整流二極
2009-11-12 10:10:19
3257
3257什么是肖特基二極管_肖特基二極管正負電極判斷
二極管、續流二極管等使用,肖特基二極管在微波通信等電路中作整流二極管、小信號檢波二極管使用。那么武漢辦公家具 肖特基二極管作用是什么呢?下面就是小編對于肖特基二極管具有介紹。
2018-01-21 10:44:37
21585
21585二極管調幅檢波器的改進設計和應用分析
圖1是傳統的二極管調幅檢波器。這種檢波器必須工作在零直流電位,因此如果信號源具有直流分量,需要使用R-C組合電路來隔離信號中的直流分量。這種檢波器加載了源級,可能增加源電路的帶寬。檢波器的輸出阻抗
2020-09-23 12:06:33
1878
1878
肖特基二極管型號_肖特基二極管常見型號_肖特基二極管型號大全
、低壓、大電流整流二極管、續流二極管、保護二極管,也有用在微波通信等電路中作整流二極管、小信號檢波二極管使用。在通信電源、變頻器等中比較常見。
2018-01-21 11:01:57
18985
18985齊納二極管測試儀的電路圖分享
這是齊納二極管測試儀的電路圖,用于測試擊穿電壓高達 120 伏的齊納二極管。這是一個方便的電路,可幫助您輕松測量齊納二極管。該二極管齊納測試儀可安裝在 9V 電池盒中。盒子的 1/3 可用于四節 1.5V 電池,剩余的 1/3 足以容納此電路。
2022-06-20 17:13:27
1368
1368
二極管的種類及肖特基二極管的特點
最基本的分類方法。二極管根據其特性或用途分為整流二極管、開關二極管、肖特基勢壘二極管、齊納(穩壓)二極管、發光二極管、檢波二極管、高頻二極管。另外,作為保護元件一般使用齊納二極管,但隨著周邊電路
2023-02-20 15:26:16
2551
2551
變容二極管,變容二極管電路,變容二極管原理
變容二極管,變容二極管電路,變容二極管原理
變容二極管是根據普通二極管內部 "PN結” 的結電容能隨外加反向電壓的變化而變
2010-03-05 10:01:38
2417
2417電子晶體二極管實用電路集萃
電子晶體二極管實用電路集萃:內容有檢波二極應用電路,變容二極管應用電路,整流二極管應用電路,恒流二極管應用電路,穩壓二極管應用電路等內容。
2009-08-04 13:46:19
127
127一個小小的二極管竟能為為檢波器帶來如此大的優勢
相對比。基于二極管的分立式 RF 檢波器圖 1 顯示的是一個廣泛使用的、基于二極管的 RF 檢波電路原理圖。可以把它看成一個帶有輸出濾波的簡易半波整流器。輸入信號的正半周期正向偏置肖特基二極管,進而對電容充電。在負半周期時,二極管反向偏置,導致
2020-12-08 22:15:00
14
14
電子發燒友App





































評論