主板上的供電電路原理

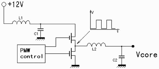
圖1
圖1是主板上CPU核心供電電路的簡單示意圖,其實就是一個簡單的開關電源,主板上的供電電路原理核心即是如此。+12V是來自ATX電源的輸入,通過一個由電感線圈和電容組成的濾波電路,然后進入兩個晶體管(開關管)組成的電路,此電路受到PMW Control(可以控制開關管導通的順序和頻率,從而可以在輸出端達到電壓要求)部分的控制輸出所要求的電壓和電流,圖中箭頭處的波形圖可以看出輸出隨著時間變化的情況。再經過L2和C2組成的濾波電路后,基本上可以得到平滑穩定的電壓曲線(Vcore,現在的P4處理器Vcore=1.525V),這個穩定的電壓就可以供CPU“享用”啦,這就是大家常說的“多相”供電中的“一相”。
單相供電一般可以提供最大25A的電流,而現今常用的處理器早已超過了這個數字,P4處理器功率可以達到70~80W,工作電流甚至達到50A,單相供電無法提供足夠可靠的動力,所以現在主板的供電電路設計都采用了兩相甚至多相的設計。圖2就是一個兩相供電的示意圖,很容易看懂,其實就是兩個單相電路的并聯,因此它可以提供雙倍的電流,理論上可以綽綽有余地滿足目前處理器的需要了。

圖2
但上述只是純理論,實際情況還要添加很多因素,如開關元件性能、導體的電阻,都是影響Vcore的要素。實際應用中還存在供電部分的效率問題,電能不會100%轉換,一般情況下消耗的電能都轉化為熱量散發出來,所以我們常見的任何穩壓電源總是電氣元件中較熱的部分。要注意的是,溫度越高代表其效率越低。這樣一來,如果電路的轉換效率不是很高,那么采用兩相供電的電路就可能無法滿足CPU的需要,所以又出現了三相甚至更多相供電電路。不過這也帶來了主板布線復雜化,如果此時布線設計不是很合理,就會產生影響高頻工作的穩定性等一系列問題。目前在市面上見到的主流主板產品有很多采用三相供電電路,雖然可以供給CPU足夠動力,但由于電路設計的不足,使主板在極端情況下的穩定性會在一定程度上受到限制。如要解決這個問題必然會在電路設計布線方面下更大的力氣,而成本也隨之上升,真正在這方面設計出色的廠商寥寥無幾。從概率上計算,每個元件都有一個“失效率”的問題,用的元件越多,組成系統的總失效率就越大。所以供電電路越簡單,越能減少出問題的概率。
三相供電比兩相供電更穩定嗎?
大家可能對以下問題感到興趣:提供三相供電的主板比起提供兩相供電的主板更穩定嗎?答案是,不一定。道理很簡單:其一,提供三相供電電路設計的主板廠商電路設計水平未見得就很高;其次,一個好的主板設計廠商,其研發工程師為了避免放置數量太多元件在主板上產生不必要干擾,而采取最簡潔、最穩定的兩相供電電路設計,華碩就是其中之一。今后隨著處理器的速度提高,兩相供電大限將至,肯定會無法滿足需要,我想到時像華碩這樣注重產品穩定性的大廠一定也會采用三相甚至更多相的設計。

圖3是華碩P4G8X主板中的處理器供電部分,他們沿用了一貫的設計思路,在別的生產者大多采用三相供電來支持3GHz以上處理器的時候,華碩仍然在大部分產品中使用兩相供電來滿足CPU需要,可見其高超的設計和制造水平帶來高效率的兩相供電電路的優秀性能。圖上用L1、L2和C1、C2簡單表示了與前面示意圖中相對應部分的電感和電容。
兩相供電電路為了給CPU提供足夠的電力,就需要高效率,為了通過大電流,電路中使用了相應的元件。如圖3中的L1部分,+12V輸入部分采用約1.5mm直徑的材料繞制的電感(L1),其橫截面積可以使它在通過較大電流的時候不會過熱。 而L2處兩個電感都采用3股直徑1mm的材料繞制,提供了更大的橫截面積,這樣,電流在通過電感時的損耗可以降低到最小。其他廠商在此處大多使用單根材料繞制,那樣會產生更多電力損耗,引起電感發熱。
剛才介紹了電感部分,同樣主板上面的銅箔也是關鍵的導體部分。銅箔相對比較薄,橫截面較小,如果電流通過橫截面較小的銅箔則容易引起損耗從而產生高熱。為了解決這一困擾,華碩的工程師在多層PCB板電源供給部分的每一層都采用了整塊銅箔的設計,至少4層銅箔組成了導體,可以提供足夠的橫截面積供電流通過。在圖4中用白線劃出的部分就是整塊銅箔的形狀,PCB電路板中間層的銅箔也是如此。


圖5是主板背面,為CPU供電電路部分的整塊銅箔,在上面還可以看到附加的錫條(銅箔面上焊了一層金屬錫),這也是為增加橫截面積而設計的。
采用上述工藝之后,電流到CPU的通路就會暢通無阻,電能損耗幾乎可以忽略。影響供電效率的因素只剩下電源電路中的發熱大戶——開關管了,開關管的轉換效率成了供電電路性能的關鍵。轉換效率低,被損耗的電能就會轉化成熱量,效率越低發熱越大,溫度越高對系統的穩定性的影響越大。所以我們常常看到很多主板上面的供電電路部分安裝了散熱片,那就是用來解決這個問題的。但是轉換效率依然無法改變,因而很可能引起CPU供電不足,因為電能都消耗在發熱上了,這時候就會出現兩相電源無法滿足需要的情況。倘若增加成三相電源,雖然CPU供電可以解決,卻帶來更大的發熱量、更復雜的電路,這對系統的穩定性影響可想而知。雖然通過優秀的設計和布線可以達到一定的穩定性,但是由于生產廠商技術水平參差不齊,滿足后者恐怕也勉為其難,復雜不等于優秀!
我們在所有華碩主板上看到的開關管都平躺在主板上面,和銅箔緊密焊接,銅是熱的極佳導體,根據計算,這種制造工藝每2cm2的主板面積可以提供4~5W的散熱能力,這個數值相對CPU幾十瓦的功率來說微不足道。因此只要采用高效的開關管,使用兩相設計就可以滿足需要,自身損耗產生的少許熱量足以借助主板散發,一舉兩得,不僅大大簡化了電路,同時帶來有極好的穩定性,在此設計方面華碩確實表現出世界一流的風范:不計成本地使用高效開關管,沒有令人眼花繚亂的復雜設計,簡單卻具有優秀的穩定性!同時簡單的電路設計讓超頻時的穩定性更加明顯
電容的誤區
關于電源部分電容的使用,現在很多電腦愛好者對它的爭論涉及用料和容量的最多。很多人覺得材料越高級越好,容量越大越好,導致很多廠商為了迎合這種心意,在元件用料上面大做文章,其實他們走入了一個誤區,對電容的使用應該是夠用就好!!
過高規格電容會增加成本,最后還是消費者多掏錢。容量過大會使電容的體積變大,成為電路設計中的絆腳石,同時增加了成本,還影響空氣流動和散熱。我們知道電解電容中包含有電解液成分,電解液干枯的時候也就是電容壽終正寢的時候。電容在金屬外殼的密封下,可以延長電解液干枯的時間,這就是電容的壽命。這個時間還受工作溫度的影響,實驗證明環境溫度每升高10℃,電容的壽命就會減半。為了確保使用高品質的電容,華碩對每一批電容元件進行了抽樣檢測,75℃環境下運行5000小時通過測試后,才可以使用同一批元件,從而保證了元件可靠性,這些工作消費者看不到,但華碩確實考慮得很周全。
最后還有一點,很多人看到有些廠商在主板上電源電路標出的電容部分并沒有安裝電容(圖4中可以看到),會認為是偷工減料,其實這可不一定是完全正確的想法。芯片組廠商在提供推薦電路的時候確實在相應位置設計了電容,但是以華碩而言,研發工程師可以選擇最佳的元件,并依據多年研發經驗來改善電路設計,以達到最佳性能。此時,原有的過多元件就不再需要了,而且去掉這些元件還可以在一定程度上增加空氣流通能力,產生更好的散熱效果,所以就留下了空位。
以上是以華碩主板產品為例對CPU供電電路及其相關部件的簡單分析。相信讀者讀過本文后會對供電技術更加了解,并用這些介紹為參考找到更多更優質的產品。
電子發燒友App



















評論