
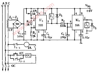
用電負荷控制器電路圖
電子發燒友App
硬聲App
完善資料讓更多小伙伴認識你,還能領取20積分哦,立即完善>
電子發燒友網>電子技術應用>電子技術>電路圖>太陽能電路>用電負荷控制器電路圖
相關推薦
評論