YD8227雙聲道2.5W音頻功放電路雙聲道2.5W音頻功放電路—YD8227概述與特點YD8227是雙聲道音頻功率放大集成電路該電路的特點如下工作電源電壓范圍為5 15V其輸出功率大 Po
2008-10-17 15:51:24
AD52068音頻D類20W雙聲道音頻功放芯片,兼容替代TPA3110
2023-01-31 22:09:28
723 
CS8685H雙聲道2*75W,CS8683H單聲道130W,兩款大功率D類音頻功放參數對比
2022-08-10 18:37:34
0 NS4251雙聲道音頻功放+耳機功能
2022-07-02 11:13:28
2433 
NS4216 10W×2 雙聲道 D 類音頻功率放大器
2022-07-02 11:13:05
2149 
NS4215雙聲道2X7.5W D類音頻功放
2022-07-02 11:12:13
2192 
NS42053W雙聲道D類音頻功放
2022-07-02 11:11:47
2175 
NS4203 3W雙聲道D類音頻功放+立體聲耳機功能
2022-07-02 11:11:36
2114 
NS4296 3W雙聲道音頻功放
2022-06-23 17:57:48
1021 
LM3915驅動的音頻電平指示電路圖
2022-02-09 09:23:12
82 G類雙聲道音頻功放芯片ANT8826數據手冊
2021-06-19 10:09:49
21 本文檔的主要內容詳細介紹的是如何吧電腦單聲道話筒改雙聲道 一般情況下電腦的話筒都是5v供電,我們需要挑一根線就能改成雙聲道。
2020-02-27 08:00:00
2 TDA2005是單電源工作的雙聲道音頻功率放大集成電路,可應用于OTL雙聲道功放,也可接成BTL橋式功放電路使用。TDA2005內含過熱、過載、輸出短路等多種保護電路環節,性能穩定。
2019-02-06 19:11:00
13120 
本項目設計和制作的是一個雙聲道擴音機的前置放大部分。每個聲道包括前置放大器和音量調節電路兩部分。前置放大器由集成運放實現,音量控制用雙聯電位器實現。
2019-02-06 19:03:00
4314 
關鍵詞:LM4916 , 放大器 , 雙聲道 如圖所示圖中為LM4916用于雙聲道放大器的典型電路。左、右聲道音頻信號分別輸入LM4916的1、5腳,經過內部放大器放大后分別由9、7腳輸出,經過耦合
2019-01-09 17:42:01
300 關鍵詞:LM4915 , 放大電路 , 雙聲道 如圖所示為LM4915用于雙聲道的放大電路。左、右聲道音頻信號分別輸入LM4915的8、3腳,經過內部放大器放大后分別由6、5腳輸出,直接耦合到各自
2019-01-09 17:36:02
313 關鍵詞:LM4911 , 放大器 , 雙聲道 如圖所示為LM4911用于雙聲道放大器的典型應用電路。左、右聲道音頻信號分別輸入LM4911(MSOP封裝)的1、5腳,經過內部放大器放大后分別由9、7
2019-01-09 17:21:01
279 關鍵詞:LM4910 , 放大器 , 雙聲道 如圖所示為LM4910用于雙聲道放大器的典型電路。左、右聲道音頻信號分別輸入LM4910(MSOP/SO封裝)的1、2腳,經過內部放大器放大后分別由8
2019-01-09 17:19:02
301 關鍵詞:4810 , LM4809 , 耳機 , 放大器 , 雙聲道 如圖所示為LM4809/4810用于雙聲道耳機放大器的典型電路。左右聲道音頻信號分別輸入LM4809/4810(SOP/MSOP
2019-01-07 07:45:01
735 關鍵詞:LM4912 , 放大電路 , 雙聲道 如圖所示為LM4912用于雙聲道的放大電路。左、右聲道音頻信號分別輸入LM4912的1、5腳,經過內部放大器放大后分別由9、7腳輸出,經過耦合電容Co
2019-01-01 12:25:01
259 本文檔的主要內容詳細介紹的是使用TDA2030和NE5532制作的雙聲道音頻功放資料合集,內含PCB工程及原理圖。
2018-11-20 08:00:00
130 本文為大家帶來tda1558q雙聲道電路圖分享。
2018-01-25 16:53:44
14080 單耳式藍牙耳機多為無線小巧樣式,可直接佩戴在耳上,主要功能便是接聽和掛斷通話之用。雙聲道藍牙耳機是基于手機支持A2DP藍牙立體聲協議之上的,只有手機支持A2DP藍牙立體聲協議,方可連接立體聲藍牙耳機欣賞藍牙耳機音樂。
2018-01-25 11:09:54
53416 
本文為大家介紹TDA2822用于立體聲功放的典型應用電路、TDA2822用于立體聲耳機的典型應用電路、TDA2822制作的小型床頭聽音系統、TDA2822雙聲道功放這四款電路圖的詳細圖文介紹。
2018-01-25 10:43:48
81901 
音頻放大器,雙聲道,包含電路圖等課程設計
2016-06-22 16:12:01
7 TDA2822雙聲道耳放電路,里面詳細介紹額,你可以用這個電路制作這里雙聲道耳放電路。
2016-05-11 11:30:19
31 LM4912用于雙聲道的放大電路。
2014-05-15 10:17:44
3733 
MIO-EMB-SDI是一款基于Mini BOX平臺的小型串行數字視頻和雙聲道模擬音頻到串行加嵌數字視頻的加嵌轉換器,可以輕松地將一路非加嵌的串行數字信號和雙聲道模擬音頻轉換成兩路嵌入式數
2011-04-05 14:01:00
47 XG4505是一塊輸出功率大,性能優良的雙聲道音頻功率放大電路,電路內部設有過熱閉鎖,
2010-10-12 16:21:39
1536 
XG2009是一塊輸出功率大,性能優良的雙聲道音頻功率放大電路.電路內部設有輸出保護和
2010-10-12 16:14:32
1618 
XG2004是一塊乙類雙聲道音頻功率放大電路,電路內部設有輸出端對地交流短路,感性
2010-10-12 12:42:10
1329 
XG1263C2是一塊工作電源電壓范圍寬,靜態電流小,失真低,負載阻抗范圍寬的雙聲道音頻功率
2010-10-12 12:22:53
1699 
SL322電平顯示驅動電路與SL320相比較,具有輸入阻抗大,整流效率高,負載能力強等特點.SL322由完全相同的二個部
2010-10-11 14:00:38
3248 
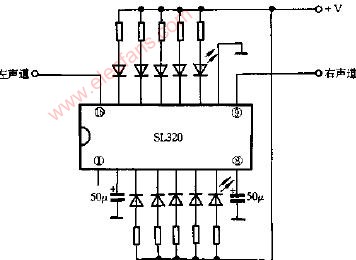
SL320是一塊專門用于發光二極管音量指示的集成驅動電路.用一塊SL320就能同時指示兩個聲道的功率電平大小,在單
2010-10-11 13:39:49
1551 
D1452雙聲道音頻前置放大電路,由二個完全相同的放大器組成.該電路具有增益高,噪聲低和動態范圍大等顯
2010-10-11 12:11:58
2015 
TUSB3200雙聲道輸入/輸出的所向播放/尋入應用電路
2010-07-15 08:58:42
2084 
本文介紹由2塊飛利浦公司專為數字音響而設計的功放電路TD1514A作為本Hi—Fi組合的雙聲道功放電路(如下圖所示
2010-06-10 18:04:11
8571 
雙聲道低電壓功率放大電路SP2822
SP2822 是雙聲道低電壓功率放大電路,適用于在體積小的便攜式盒式放音機(WALKMAN)和
2010-04-17 10:48:49
117 雙聲道音頻功率放大電路YG2025
YG2025雙聲道音頻功率放大集成電路該電路的特點如下工作電源
2010-04-17 10:41:41
113 TA8211AH pdf,datasheet雙聲道音頻功率放大器
TA8211AH是東芝公司生產的雙聲道音頻功率放大器可用于彩電的左右聲道音頻信號的放大處理具有低噪聲高輸出功率的特點
2010-03-31 14:46:46
49 著名國外膽機6V6GT雙聲道功放電路鑒析:由日本黑川達夫設計的6V6GT雙聲道功率放大器,采用歷史GT (Glass Tube)各管6V6GT,小型束射四極功率管6V6GT從20世紀40年代即在電子管收音機中被廣
2009-12-02 15:08:21
162 雙聲道分流式電位器制作說明
2009-11-14 13:45:28
71 雙聲道集成音頻功率放大器
雙聲道集成音頻功率放大器可以提供兩路不失真的音頻功率,在立體聲音響設備中應用廣泛。表18-25 列出了一些雙聲道集成音頻功率放大器的主
2009-09-19 16:04:55
1723 2×100W高保真雙聲道功率放大器
2009-09-17 16:16:00
4466 
2×70W雙聲道高保真功率放大器
圖6是由一塊音響功率集成電路STK4913構成的2×70W雙聲道高保真
2009-09-17 15:59:23
2110 
2×30W雙聲道音頻功率放大器
圖1是2×30W雙聲道音頻功率放大器,其核心器件ICl采用高保真
2009-09-17 15:39:15
3959 
TDA2009 OTL單/雙聲道功率放大電路圖
2009-09-09 09:06:20
3376 
雙聲道音頻功率放大電路-- YD2822概述與特點YD2822是雙聲道音頻功率放大電路,適用于在袖珍式盒式放音機(WALKMAN)、收錄機和多媒體音箱中作音頻放大器。該電路的特點如
2009-07-14 22:00:34
89 用TDA1521制作的15W雙聲道功放電路圖
現在電腦用的低音炮,大部分采用的都是高保真功放IC TDA1521A制作功放電路,TDA1521A采用九腳
2009-05-16 00:57:27
20585 
簡易的輸出電平指示電路圖
2009-05-08 16:02:37
2201 
單聲道SL322+段電平指示電路圖
2009-05-08 15:58:41
2305 
單聲道LB1405電平指示電路圖
2009-05-08 15:58:17
7540 
變色電平指示器電路圖
2009-05-08 15:57:31
775 
CMOS集成電路電平指示電路圖
2009-05-08 15:57:02
759 
電平指示器電路圖
2009-05-08 14:31:15
3545 
LM3886雙聲道音頻功放電路圖
2009-04-07 15:44:33
7090 
峰值電平指示器電路圖
2009-04-02 09:36:22
1720 
10級電平指示器電路圖
2009-04-01 08:41:20
1504 
5級電平指示器電路圖
2009-04-01 08:40:52
749 
電池電平指示器電路圖
2009-03-21 09:25:41
640 
雙聲道紅外音量遙控電路
2009-02-05 15:47:55
940 
電路采用TDA2822雙聲道功率芯片.電路簡單,成本較低.
2009-01-24 00:51:23
5803 
雙聲道2.5W音頻功放電路—YD8227概述與特點YD8227是雙聲道音頻功率放大集成電路該電路的特點如下工作電源電壓范圍為5 15V其輸出功率大 Po=2.5W 2 (Vcc=9V RL=4Ω f=1kHz THD=10
2008-10-17 15:49:37
147 LM378雙運算放大器構成的雙聲道放大電路
2008-10-17 13:40:02
1844 
雙聲道音頻功放電路
2008-10-17 13:38:29
4712 
雙聲道功放電路圖
2008-01-09 22:56:24
5835 
電子管功放電路圖
雙聲道電子管
2008-01-09 22:46:38
3921 
評論