本文為您介紹DAC0832引腳圖及引腳功能說明、功能介紹、DAC0832電路原理圖、工作方式,DAC0832內部結構與外部結構,以及DAC0832應用電路圖及D/A轉換器程序實現。
2016-09-26 10:53:35
106543 
dac0832接運放輸出電壓,電壓一直是一個定值,有沒有人幫我解答一下這個問題出在了哪里?非常感謝!!!
2017-08-13 18:38:31
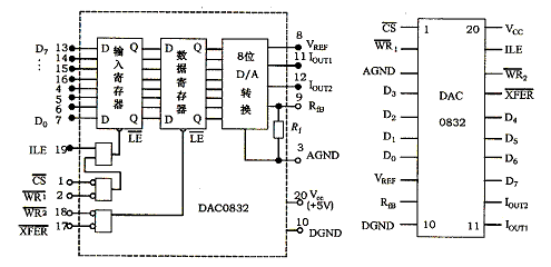
根據對DAC0832的數據鎖存器和DAC寄存器的不同的控制方式,DAC0832有三種工作方式:直通方式、單緩沖方式和雙緩沖方式。DAC0832引腳功能電路應用原理圖DAC0832是采樣頻率為八位的D/A轉換芯片,集成電路內有兩級輸入寄存器。
2017-11-06 16:32:49
3139 FPGA與DAC0832接口電路原理圖
FPG
2009-10-25 12:00:22
7484 
本文檔的主要內容詳細介紹的是使用DAC0832生成鋸齒波的仿真電路圖免費下載。
2019-12-26 17:17:00
24 DAC0832 接口電路程序見隨書所附光盤中文件:DAC0832VHDL程序與仿真。--文件名:
2008-06-27 11:11:07
2090 DAC0832仿真程序 數模轉換器DAC0832 protues仿真設計 程序51
2017-01-14 22:32:46
113 DAC0832接口電路及程序設計:DAC0832是采用CMOS/Si-Cr工藝實現的8位D/A轉換器。該芯片包含8位輸入寄存器、8位DAC寄存器、8位D/A轉換器。DAC0832中有兩級鎖存器,第一級即輸入寄存器
2009-10-25 11:36:03
629 DAC0832是采樣頻率為八位的D/A轉換芯片,集成電路內有兩級輸入寄存器,使DAC0832芯片具備雙緩沖、單緩沖和直通三種輸入方式,以便適于各種電路的需要(如要求多路D/A異步輸入、同步轉
2011-08-30 16:52:48
322 DAC0832:DAC0832是采樣頻率為八位的D/A轉換器件。附圖是它的內部電路框圖和外部管腳圖。 該芯片的特點如下所
2007-12-19 15:36:50
7842 
DAC0832的中文資料手冊
典型D/A轉換DAC0832芯片8位并行、中速(建立時間1us)、電流型、低廉(10~20元)① 引腳和邏輯結構② DAC0832與微機系統的連接③ 應用舉例
2008-03-11 08:30:24
3731 8031與DAC0832雙緩沖方式接口電路
雙緩沖方式的接口與應用 &
2010-02-23 11:28:27
5115 
用DAC0832產生鋸齒波電路
鋸齒波
2010-02-23 11:21:30
11030 
關于DAC0832的接口電路程序(電源技術期刊怎么樣)-關于DAC0832的接口電路程序,適合感興趣的學習者學習,可以提高自己的能力,大家可以多交流哈
2021-09-16 14:50:04
10 DAC0832 典型D/A轉換器芯片
DAC0832是一個8位D/A轉換器芯片,單電源供電
2010-02-27 15:45:32
5163 
DAC0832,學習資料,有需要的下來看看
2016-08-09 16:50:33
33 DAC0832中文資料
2012-08-14 13:20:04
120 DAC0832是采樣頻率為八位的D/A轉換芯片,集成電路內有兩級輸入寄存器,使DAC0832芯片具備雙緩沖、單緩沖和直通三種輸入方式,以便適于各種電路的需要(如要求多路D/A異步輸入、同步轉換等)。
2017-12-27 10:09:07
28871 
DAC0832數模轉換模塊DXP資料.(移動電源怎么辨別好壞)-DAC0832數模轉換模塊DXP資料
2021-07-26 14:34:47
30 DAC0832中文資料.pdf
2016-12-16 15:44:35
12 單片機DAC0832波型
2016-11-02 19:32:13
7 本文檔的主要內容詳細介紹的是DAC0832接口電路的VHDL程序與仿真免費下載。
2021-01-19 14:00:00
7 數模轉換DAC0832的應用
[實驗要求]
通過用單片機控制DAC0832輸出鋸齒波,讓實驗板上發光二極管D12由暗到亮變
2009-07-16 10:00:19
8127 
1.芯片簡介 DAC0832是采樣頻率為八位的D/A轉換芯片,集成電路內有兩級輸入寄存器,使DAC0832芯片具備雙緩沖、單緩沖和直通三種輸入方式。D/A轉換結果采用電流形式輸出。若需要相應的模擬
2023-09-11 11:40:02
518 
基于ADC0808和DAC0832的AD/DA轉換,包含程序和仿真電路。
2016-08-05 17:32:53
89 DAC0832芯片內部結構框圖
圖4.12
2009-01-14 12:51:23
6499 
DAC0832芯片中文數據資料分享。
2021-04-13 14:49:55
45 基于dac0832的波形發生器設計與實現(開關電源技術書籍)-文檔為基于dac0832的波形發生器設計與實現總結文檔,是一份不錯的參考資料,感興趣的可以下載看看,,,,,,,,,,,,,
2021-09-17 14:13:31
40 最近在通過51單片機利用DAC0832方波,發現信號無輸出,DAC0832這款DA芯片雖然物美價廉,使用直通方式的話幾乎不需要外接元件就能夠輸出電流,使用起來著實方便,但是這款芯片是電流輸出,這一點
2019-04-10 18:25:23
12 使用單片機和DAC0832產生正弦波(現代高頻開關電源技術及應用 百度網盤)-【資源描述】:使用MSP430G2553和DAC0832產生正弦波
2021-09-16 15:59:50
75 DAC0832是8分辨率的D/A轉換集成芯片。與微處理器完全兼容。這個DA芯片以其價格低廉、接口簡單、轉換控制容易等優點,在單片機應用系統中得到廣泛的應用。D/A轉換器由8位輸入鎖存器、8位DAC寄存器、8位D/A轉換電路及轉換控制電路構成。
2017-11-08 16:07:15
18313 DAC0832的妙用--信號衰減器源代碼分享
2016-06-07 15:13:15
24 控制放大器用DAC0832
2009-10-25 11:41:45
1022 
本文將對如何基于單片機設計DAC0832波形發生器加以介紹。
2022-02-08 15:34:33
53 DAC0832是8分辨率的D/A轉換集成芯片。與微處理器完全兼容。這個DA芯片以其價格低廉、接口簡單、轉換控制容易等優點,在單片機應用系統中得到廣泛的應用。D/A轉換器由8位輸入鎖存器、8位DAC寄存器、8位D/A轉換電路及轉換控制電路構成。
2017-11-08 17:37:19
10952 
8位并行、中速(建立時間1us)、電流型、低廉 ① 引腳和邏輯結構 ② DAC0832與微機系統的連接 ③ 應用舉例
2011-03-09 18:12:46
745 DAC0832是8分辨率的D/A轉換集成芯片。與微處理器完全兼容。這個DA芯片以其價格低廉、接口簡單、轉換控制容易等優點,在單片機應用系統中得到廣泛的應用。D/A轉換器由8位輸入鎖存器、8位DAC寄存器、8位D/A轉換電路及轉換控制電路構成。
2017-11-06 16:49:01
7868 
DAC0832:DAC0832是8位全MOS中速D/A 轉換器,采用R—2RT 形電阻解碼網絡,轉換結果為一對差動電流輸出,轉換時間大約為1us。使用單電源+5V―+15V 供電。參考電壓為
2019-09-29 17:15:00
3 基于8051的Proteus仿真-DAC0832生成鋸齒波
2016-09-01 23:28:14
42 DAC0832是8分辨率的D/A轉換集成芯片。與微處理器完全兼容。這個DA芯片以其價格低廉、接口簡單、轉換控制容易等優點,在單片機應用系統中得到廣泛的應用。D/A轉換器由8位輸入鎖存器、8位DAC寄存器、8位D/A轉換電路及轉換控制電路構成。
2017-11-06 16:22:54
34545 
DAC0832中有兩級鎖存器,第一級鎖存器稱為輸入寄存器,它的鎖存信號為ILE;第二級鎖存器稱為DAC寄存器,它的鎖存信號為傳輸控制信號 。因為有兩級鎖存器,DAC0832可以工作在雙緩沖器方式,即在輸出模擬信號的同時采集下一個數字量,這樣能有效地提高轉換速度。
2017-11-06 17:48:49
10546 
設計思路圖1 DAC0832電路本例中使用51單片機控制D/A轉換芯片DAC0832,通過單片機輸出一系列的數字信號到DAC0832,DAC0832把這些數字信號轉換成模擬信號,以電流的形式輸出。1.3. ...
2021-11-23 16:36:36
20 1.利用DAC0832 D/A 轉換電路,輸出0--2.5V 的電壓,研究輸出電壓與輸入數字量的關系。
2.利用單片機控制DAC0832輸出方波信號、鋸齒波信號、三角波信號,并由一按鍵選擇輸出波形,默認輸出方波信號。
2019-11-06 16:02:25
28 基于DAC0832的程控衰減器文章目錄基于DAC0832的程控衰減器一、需求分析:二、主要元器件:三、設計流程四、工作原理4.1完整原理圖4.2仿真環境4.3基準源 2.56V4.4基準源
2021-11-25 09:36:05
17 DAC0832是雙列直插式8位D/A轉換器。能完成數字量輸入到模擬量(電流)輸出的轉換。圖1-1和圖1-2分別為DAC0832的引腳圖和內部結構圖。其主要參數如下:分辨率為8位,轉換時間為1μs
2020-07-01 18:16:45
18
DAC08的應用電路圖
2009-07-15 16:27:06
2005 
評論