資料介紹
微機原理作業題目及答案
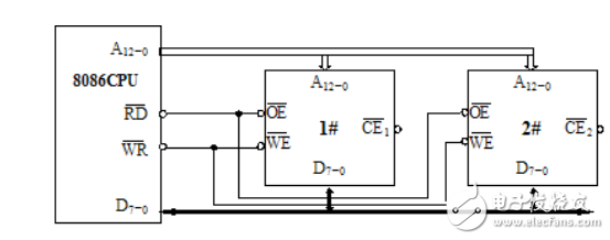
請回答以下問題:
將CPU的相關信號與存儲器相連,并說明每個存儲器的容量。
要求1#存儲器和2#存儲器的起始地址分別為4000H和6000H,試在圖中完成地址譯碼器的連接(不考慮高4位地址譯碼和奇偶字節庫)。
編寫程序片段,將1#存儲器中的內容以相反的順序拷貝到2#存儲器中(即1#存儲器的第一個字節復制到2#存儲器的最后一個字節位置,第二個字節復制到2#存儲器的倒數第二個字節位置)。
解答:
每片存儲器的容量均為8K×8
連接如圖所示


微機原理
加入交流群
掃碼添加小助手
加入工程師交流群
下載該資料的人也在下載
下載該資料的人還在閱讀
更多 >
- 【單片機】單片機基本原理練習題2
- 【單片機】第二章單片機基本原理練習題
- 【單片機】單片機基本原理練習題3
- 【單片機】單片機基本原理練習題1
- 單片機運行與接口控制應用作業題來做作看吧! 10次下載
- Altium-Designert題目答案整理(完整版) 0次下載
- 低壓電工作業題庫資料下載 64次下載
- 電子技術基礎模擬部分第五版_第八章習題答案.pdf 0次下載
- 光纖光纜技術作業基本答案 1次下載
- 微機系統與接口PPT課件+課本答案 0次下載
- 微機原理及應用_課后答案 0次下載
- 英文自控作業2答案 0次下載
- 微機原理與接口技術答案 0次下載
- 微機原理作業習題集
- 微機系統與接口技術試題作業集
- 帶電作業要注意哪些事項 4.7k次閱讀
- ROV水下作業仿真平臺:龔嘴水電站壩體檢測和清理作業仿真 3.2k次閱讀
- 射頻微機電系統開關相關介紹 3.2k次閱讀
- UPS設備的四種作業辦法 2.3k次閱讀
- 微機保護裝置的定檢周期_微機保護裝置的現場檢驗項目 9.6k次閱讀
- 微機五防系統組成_微機五防系統功能作用 2w次閱讀
- 電力系統微機保護的硬件組成部分 1.1w次閱讀
- 等電位作業的基本方式_等電位作業的注意事項 1.3w次閱讀
- 微機保護裝置及工作原理 1.2w次閱讀
- 微機中各類常見的總線技術介紹 4.8k次閱讀
- 電工作業人員操作禁忌匯總 1.1w次閱讀
- 配電線路帶電作業前的準備、作業步驟及安全事項詳讀 8.5k次閱讀
- 什么是帶電作業,一文教你看懂帶電作業,帶電作業注意事項 3.5w次閱讀
- 烙鐵焊接作業的經驗分享 4.3k次閱讀
- 電網調度微機開票系統的研究和開發 803次閱讀
下載排行
本周
- 1電子電路原理第七版PDF電子教材免費下載
- 0.00 MB | 1497次下載 | 免費
- 2TC358743XBG評估板參考手冊
- 1.36 MB | 330次下載 | 免費
- 3單片機典型實例介紹
- 18.19 MB | 99次下載 | 1 積分
- 4S7-200PLC編程實例詳細資料
- 1.17 MB | 28次下載 | 1 積分
- 5筆記本電腦主板的元件識別和講解說明
- 4.28 MB | 18次下載 | 4 積分
- 6開關電源原理及各功能電路詳解
- 0.38 MB | 14次下載 | 免費
- 79天練會電子電路識圖
- 5.91 MB | 6次下載 | 免費
- 8100W短波放大電路圖
- 0.05 MB | 4次下載 | 3 積分
本月
- 1OrCAD10.5下載OrCAD10.5中文版軟件
- 0.00 MB | 234313次下載 | 免費
- 2PADS 9.0 2009最新版 -下載
- 0.00 MB | 66304次下載 | 免費
- 3protel99下載protel99軟件下載(中文版)
- 0.00 MB | 51209次下載 | 免費
- 4LabView 8.0 專業版下載 (3CD完整版)
- 0.00 MB | 51043次下載 | 免費
- 5555集成電路應用800例(新編版)
- 0.00 MB | 33564次下載 | 免費
- 6接口電路圖大全
- 未知 | 30321次下載 | 免費
- 7Multisim 10下載Multisim 10 中文版
- 0.00 MB | 28588次下載 | 免費
- 8開關電源設計實例指南
- 未知 | 21540次下載 | 免費
總榜
- 1matlab軟件下載入口
- 未知 | 935054次下載 | 免費
- 2protel99se軟件下載(可英文版轉中文版)
- 78.1 MB | 537794次下載 | 免費
- 3MATLAB 7.1 下載 (含軟件介紹)
- 未知 | 420026次下載 | 免費
- 4OrCAD10.5下載OrCAD10.5中文版軟件
- 0.00 MB | 234313次下載 | 免費
- 5Altium DXP2002下載入口
- 未知 | 233046次下載 | 免費
- 6電路仿真軟件multisim 10.0免費下載
- 340992 | 191183次下載 | 免費
- 7十天學會AVR單片機與C語言視頻教程 下載
- 158M | 183278次下載 | 免費
- 8proe5.0野火版下載(中文版免費下載)
- 未知 | 138039次下載 | 免費
電子發燒友App





創作
發文章
發帖
提問
發資料
發視頻
上傳資料賺積分
評論