資料介紹
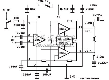
NO AUDIBLE POP DURING MUTE AND
STANDBY OPERATIONS
MUTING TTL COMPATIBLE
VERYLOW STANDBY CONSUMPTION
PROGRAMMABLE TURN ON DELAY
DIFFERENTIAL INPUT
SHORT CIRCUIT PROTECTIONS:
RL SHORT - OUT TO GROUND - OUT TO VS
OTHER PROTECTIONS:
- Load dump voltage surge
- LoudspeakerDC current
- Very inductive load
- Overrating temperature
- Open ground

TDA7256
加入交流群
掃碼添加小助手
加入工程師交流群
下載該資料的人也在下載
下載該資料的人還在閱讀
更多 >
- tda2030音響放大電路 93次下載
- 2SC5197 ic datasheet
- 2SC5122 ic datasheet
- HD74LS03 ic datasheet
- SN7432 ic datasheet
- TDA8924 ic datasheet 15次下載
- TDA1905 IC datasheet 36次下載
- TDA2050 IC datasheet 59次下載
- TDA9274 IC datasheet 17次下載
- 常用IC資料,IC datasheet,pdf
- IC 卡接口芯片TDA8007 讀寫器設計
- TDA18271 pdf datasheet (Silico
- TDA8742 pdf datasheet
- TDA8740 pdf datasheet (Satelli
- TDA8741 pdf datasheet (Satelli
- 基于TDA2009的25瓦功率放大器電路 4.1k次閱讀
- 基于TDA2009的功率放大器電路 9.5k次閱讀
- 基于TDA2040的汽車立體聲放大器電路 2.4k次閱讀
- 基于TDA2613的6W音頻放大器電路 1.7k次閱讀
- 基于TDA7294的組裝電路設計 4.4k次閱讀
- 如何使用TDA2005模塊直接帶一個喇叭 8.1k次閱讀
- D類功放IC單片集成TDA7482的應用電路 8.4k次閱讀
- 一文看懂tda2822和tda2822m的區別(引腳功能及電路圖) 10.6w次閱讀
- 一文看懂tda7293和tda7294的區別(引腳功能及電路圖) 16.7w次閱讀
- tda7294引腳功能和電壓_三款tda7294應用電路 4.4w次閱讀
- tda7294音質怎么樣?tda7294與lm3886哪個好?有什么區別 10w次閱讀
- tda2030中文資料匯總(tda2030引腳圖及功能_內部電路及應用電路) 22.4w次閱讀
- tda2003和tda2030區別_兩者能不能代換? 4.6w次閱讀
- tda1308中文資料匯總(tda1308引腳圖及功能_特性參數及應用電路) 5w次閱讀
- TDA1308袖珍耳機放大器電路_TDA1308典型應用電路 3.1w次閱讀
下載排行
本周
- 1TC358743XBG評估板參考手冊
- 1.36 MB | 330次下載 | 免費
- 2開關電源基礎知識
- 5.73 MB | 11次下載 | 免費
- 3嵌入式linux-聊天程序設計
- 0.60 MB | 3次下載 | 免費
- 4DIY動手組裝LED電子顯示屏
- 0.98 MB | 3次下載 | 免費
- 5基于FPGA的C8051F單片機開發板設計
- 0.70 MB | 2次下載 | 免費
- 651單片機窗簾控制器仿真程序
- 1.93 MB | 2次下載 | 免費
- 751單片機PM2.5檢測系統程序
- 0.83 MB | 2次下載 | 免費
- 8基于51單片機的RGB調色燈程序仿真
- 0.86 MB | 2次下載 | 免費
本月
- 1OrCAD10.5下載OrCAD10.5中文版軟件
- 0.00 MB | 234315次下載 | 免費
- 2555集成電路應用800例(新編版)
- 0.00 MB | 33566次下載 | 免費
- 3接口電路圖大全
- 未知 | 30323次下載 | 免費
- 4開關電源設計實例指南
- 未知 | 21549次下載 | 免費
- 5電氣工程師手冊免費下載(新編第二版pdf電子書)
- 0.00 MB | 15349次下載 | 免費
- 6數字電路基礎pdf(下載)
- 未知 | 13750次下載 | 免費
- 7電子制作實例集錦 下載
- 未知 | 8113次下載 | 免費
- 8《LED驅動電路設計》 溫德爾著
- 0.00 MB | 6656次下載 | 免費
總榜
- 1matlab軟件下載入口
- 未知 | 935054次下載 | 免費
- 2protel99se軟件下載(可英文版轉中文版)
- 78.1 MB | 537798次下載 | 免費
- 3MATLAB 7.1 下載 (含軟件介紹)
- 未知 | 420027次下載 | 免費
- 4OrCAD10.5下載OrCAD10.5中文版軟件
- 0.00 MB | 234315次下載 | 免費
- 5Altium DXP2002下載入口
- 未知 | 233046次下載 | 免費
- 6電路仿真軟件multisim 10.0免費下載
- 340992 | 191186次下載 | 免費
- 7十天學會AVR單片機與C語言視頻教程 下載
- 158M | 183279次下載 | 免費
- 8proe5.0野火版下載(中文版免費下載)
- 未知 | 138040次下載 | 免費
電子發燒友App





創作
發文章
發帖
提問
發資料
發視頻
上傳資料賺積分
評論