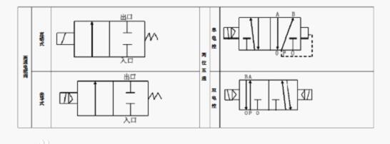
電磁閥圖形符號的含義
1、用方框表示閥的工作位置,每個方框表示電磁閥的一種工作位置,即“位”,有幾個方框就表示有幾“位”,如二位三通電磁閥表示有兩種工作位置。
2、方框內的箭頭表示油路處于接通狀態,但箭頭方向不一定表示液流的實際方向;
3、方框內符號“┻”或“┳”表示該通路不通;
4、方框外部連接的接口數有幾個,就表示幾“通”;
5、一般,閥與系統供油路或氣路連接的進油口/進氣口用字母p表示;閥與系統回油路/氣路連通的回油/回氣口用t(有時用o)表示;而閥與執行元件連接的油口/氣口用a、b等表示。有時在圖形符號上用l表示泄漏油口;
6、換向閥都有兩個或兩個以上的工作位置,其中一個為常態位,即閥芯未受到操縱力時所處的位置。圖形符號中的中位是三位閥的常態位。利用彈簧復位的二位閥則以靠近彈簧的方框內的通路狀態為其常態位。繪制系統圖時,油路/氣路一般應連接在換向閥的常態位上。
電磁閥電氣符號和圖形


二位三通電磁閥符號

二位三通電磁閥是兩個位置三個通氣口,其中一個為進氣口(P),另兩個為出氣口(A/B),當電磁閥得電勵磁是,P和A通,失電時P和B通兩位指閥芯有兩個位置,三通就是三個口,一個進氣口,P口,或者1口,一個工作口,2口,一個排氣口,3口。分為常開常閉。常開工作原理就是通電后,閥芯產生動作,開啟氣路,斷電之后閥芯復位,關閉氣路。
電磁閥接線圖解
交流無所謂,直流有正負極,注意電壓要相同。

下圖中箭頭所指的是電磁閥,用于控制汽機低壓后缸噴水系統氣流通道的通、斷。
低壓缸噴水系統向雙流低壓缸每端噴水環上的噴咀提供凝結水。當汽輪機所處工況要求投入低壓缸噴水系統時,系統中的電磁閥接通,空氣供至噴水流量控制閥的執行機構。這樣,凝結水通向低壓缸排汽導流環上的噴咀。并且,壓力控制器的凝結水壓力測點感受到壓力信號。
