相信大家對變壓器都很熟悉了,隔離變壓器就是變壓器中的一種特殊情況,下面小編就為大家介紹一下隔離變壓器原理,方便大家更快的了解隔離變壓器,有興趣的快進來看一下吧
普通變壓器的首要任務是改變電壓,分為降壓變壓器和升壓變壓器,原副邊線圈匝數不相等。隔離并不是它主要的任務,甚至有的變壓器原副邊并不隔離,比如自耦變壓器就是典型。
隔離變壓器的首要任務是將原副邊繞組進行電絕緣隔離,因此對它的最基本要求是保證原副邊絕緣性能。而變壓并不是它的首要任務,多數的隔離變壓器并不進行變壓,即原副邊繞組匝數相等。比如晶閘管直流調速系統中為了防止主電路高壓侵入脈沖數控裝置而使用的脈沖變壓器也是典型。
隔離變壓器(Isolation transformer)俗稱安全變壓器,是指輸入繞組與輸出繞組帶電氣隔離的變壓器,是用以對兩個或多個有耦合關系的電路進行電隔離的變壓器。隔離變壓器一般用于機器維修、保養,起保護、防雷、濾波作用,用以避免偶然同時觸及帶電體,變壓器隔離的是原副邊繞線圈各自的電流。隔離變壓器早期為歐洲國家用在電力行業,廣泛用于電子工業或工礦企業,機床和機械設備中一般電路的控制電源,安全照明及指示燈的電源之用。
隔離變壓器是特殊用途的專用設備,和普通變壓器不同之處不單是次級不接地,而且初次級線包間還有隔離層,此隔離層與初級接地端相接,所以次級端不但與電網完全隔離,而且還隔離了靜電場! 它的安全性在于因次級不接地,因而輸出端與地不構成回路,當人體單端接觸輸出時不會觸電。其次因有靜電隔離,在次級工作中就避免了靜電干擾和靜電擊穿發生!
隔離變壓器的主要作用是:使一次側與二次側的電氣完全絕緣,也使該回路隔離。 另外, 利用其鐵芯的高頻損耗大的特點, 從而抑制高頻雜波傳入控制回路。 用隔離變壓器使二次對地懸浮,只能用在供電范圍較小、線路較短的場合。此時,系統的對地電容電流小得不足以對人身造成傷害。 還有一個很重要的作用就是保護人身安全!隔離危險電壓。
隨著電力系統的不斷發展,變壓器作為電力系統中的關鍵設備起著日益重要的作用,它的安全運行直接關系到整個電力系統運行的可靠性。 變壓器線圈變形是指線圈在受力后,發生的軸向、幅向尺寸變化、器身位移、線圈扭曲等情況。造成變壓器線圈變形的主要原因有二個:一是變壓器運行中難以避免地要受到外部短路故障沖擊:二是變壓器在運輸吊裝過程中發生意外碰撞。
隔離變壓器原理
隔離變壓器和普通變壓器的原理實則是一樣的,都是利用電磁感應原理。隔離變壓器一般指的是1:1的變壓器,由于次級不與地相連接,次級中電線與地不存在電位差,從而使得儀器更安全,被常用于維修電源。隔離變壓器也不全是1:1的變壓器。控制變壓器及電子管設備電源也屬于隔離變壓器,這類在空調、維修等區域使用也是較為廣泛。
一般變壓器原、副繞阻之間雖然也存在隔離電路的作用,但在頻率較高情況下,兩繞阻之間的電容會造成兩側電路之間出現靜電干擾。為避免這種干擾,隔離變壓器的原、副繞阻一般分放在不同的心柱之上,以減小兩者之間的電容;也存在采用原、副繞阻同心放置的,但是在繞阻之間加裝了靜電屏蔽,已獲得高的一個抗干擾性。
靜電屏蔽就是在原、副繞阻之間設置一片 不閉合的銅片或者非磁性導電紙,稱為屏蔽層。銅片或非磁導電紙連接隔離變壓器外殼。甚至有時候為了取得更好的屏蔽效果,在整個變壓器的外殼還罩著一個屏蔽外殼。對繞組的引出線端也加以屏蔽,以防止其他的外來電磁干擾。
隔離變壓器屬于安全電源,一般用來機器維修、保養用,起保護、防雷、濾波作用。隔離變壓器是一種1:1的變壓器。初級單相220V,次級也是單相220V。或初級三相380V,次級也是三相380V。
隔離變壓器原理是指輸入繞組與輸出繞組在電氣上彼此隔離的變壓器,用以避免偶然同時觸及帶電體(或因絕緣損壞而可能帶電的金屬部件)和地所帶來的危險,它的原理與普通干式變壓器相同,也是利用電磁感應原理,主要隔離一次電源回路,二次回路對地浮空,以保證用電安全。

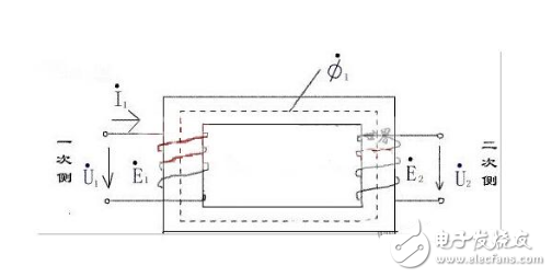
現以單相雙繞組變壓器為例闡明其變壓器的原理,如圖所示:當一次側繞組上加上電壓ú1時,流過電流í1,在鐵芯中就產生交變磁通?1,這些磁通稱為主磁通,在它作用下,兩側繞組分別感到電勢é1,é2,感到電勢公式為:
E=4.44fN?m
式中:E--感應電勢有效值
f--頻率
N--匝數
m--主磁通最大值
二次繞組與一次繞組匝數差異,感到電勢E1和E2大小也 差異,當略去內阻抗壓降后,電壓ú1和ú2大小也 就差異。
當變壓器二次側空載時,一次側僅流過主磁通的電流(í0),電流稱為激磁電流。當二次側加負載流過負載電流í2時,也 在鐵芯中產生磁通,力圖變化主磁通,但一次電壓穩固時,主磁通是穩固的,一次側就要流過兩部門電流,一部門為激磁電流í0,一部門為用來平衡í2, 這部門電流隨著í2變革而變革。當電流乘以匝數時, 磁勢。
隔離變壓器原理的主要作用是:使一次側與二次側的電氣完全絕緣,也使該回路隔離。 另外, 利用其鐵芯的高頻損耗大的特點, 從而抑制高頻雜波傳入控制回路。用隔離變壓器使二次對地懸浮,只能用在供電范圍較小、線路較短的場合。此時,系統的對地電容電流小得不足以對人身造成傷害。 還有一個很重要的作用就是保護人身安全!隔離危險電壓。
