LM567的五個輸出端子。其中引腳5和6提供振蕩器的輸出波形,而第三個輸出端子引腳8,則如前所述為567的主要輸出口。其余的二個輸出端為此解碼器的引腳1和2。引腳2與鎖相環的相位檢波器輸出端相接,在內部被靜態偏置到3.8V。當567接收到帶內輸入信號時,此偏置電壓隨之改變,且在典型的0.95至1.05倍振蕩器自由振蕩頻率范圍內,偏置電壓的變化與輸入信號頻率呈線性關系。其斜率為每頻偏百分之一有20mV。
5、6腳外接定時電阻及電容決定鎖相環內部壓控振蕩器的中心頻率(fo=1/1.1RC)。第2腳對地接電容C2為相位比較器輸出的低通濾波器。第2腳所接電容C2對鎖相環的捕捉帶寬Bw有影響。
第1腳對地接一電容C1為正交相位檢波器的輸出濾波,其電容值應不小于2腳所接電容約兩倍,即Cl大于、等于2C2。
第3腳為信號輸入端,要求輸入信號的幅度大于25mV,最佳值為200mV左右。
當LM567的輸入信號的頻率落在其內部壓控振蕩器中心頻率fo附近時,邏輯輸出端(8腳)將由原高電平變為低電平,輸出一個負脈沖。8腳不僅可以實現選頻,而且還有負脈沖形成功能。改變Rp可改變選頻頻率。
由于8腳為集電極開路輸出,故實際應用時,其8腳應接一上拉電阻至電源正極Vdd。

?
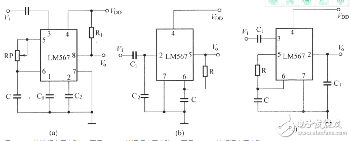
LM567作選頻、調頻和解調應用電路

?。╝)圖是LM567的選頻應用電路 (b)圖是LM567的調頻應用電路 (c)圖是LM567的解調應用電路.
